Для студентов УрФУ им. Ельцина по предмету Теоретические основы электротехники (ТОЭ)Задача 15Задача 15
5,0053224
2022-03-032022-03-03СтудИзба
Задача: Задача 15
Описание
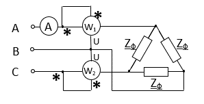
- Симметричная трехфазная система с нагрузкой по схеме треугольник. Расчет токов. Мощность системы. Определить Zф и комплексную мощность, если Uл = 380 В, I = 5 А, сумма показаний ваттметров 2324 Вт.
-
Характеристики решённой задачи
Учебное заведение
Семестр
Просмотров
1
Размер
38,52 Kb
Список файлов
Документ Microsoft Word (2).docx

Если нужен другой вариант работы или отдельная задача из любой работы, пишите в комментарии