Для студентов МГТУ им. Н.Э.Баумана по предмету Теоретические основы электротехники (ТОЭ)Резонанс токовРезонанс токов
5,00570
2025-01-082025-04-03СтудИзба
Лабораторная работа 5: Резонанс токов
Описание
ОТЧЕТ ПО ЛАБОРАТОРНОЙ РАБОТЕ №5
ПО ДИСЦИПЛИНЕ
«ТЕОРЕТИЧЕСКИЕ ОСНОВЫ ЭЛЕКТРОТЕХНИКИ»
РЕЗОНАНС ТОКОВ
Цель работы: Экспериментальное исследование параллельного резонансного контура, состоящего из индуктивной катушки и конденсатора. Индуктивная катушка составляется из двух катушек с маркировкой «L1 » и «L2 », соединенных последовательно.
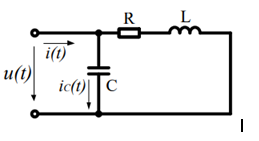
Рис. 1 – Схема исследуемой цепи
1.1 Получить формулу комплексной проводимости двухполюсника:
Найдем проводимость перовой ветви:
Проводимость второй ветви соответственно будет равна:
Общая проводимость будет складываться из первой и второй проводимости ветвей:
Полная проводимость состоит из активной и реактивной составляющей.
Активная проводимость:
Реактивная проводимость:
1.2 По известным параметрам катушки, используя условие резонанса, рассчитать резонансную емкость конденсатора при частоте 50 Гц.
Условие резонанса наступают тогда, когда мнимая составляющая проводимости равна нулю. Следовательно проводимости катушки и конденсатора равны между собой.
Подставляем известные значения и находим резонансную ёмкость:
Расчет значений производится по следующим формулам, пример приведен для емкости резонанса токов
ПО ДИСЦИПЛИНЕ
«ТЕОРЕТИЧЕСКИЕ ОСНОВЫ ЭЛЕКТРОТЕХНИКИ»
РЕЗОНАНС ТОКОВ
Цель работы: Экспериментальное исследование параллельного резонансного контура, состоящего из индуктивной катушки и конденсатора. Индуктивная катушка составляется из двух катушек с маркировкой «L1 » и «L2 », соединенных последовательно.
Рис. 1 – Схема исследуемой цепи - Подготовка к работе
1.1 Получить формулу комплексной проводимости двухполюсника:
Найдем проводимость перовой ветви:
Проводимость второй ветви соответственно будет равна:
Общая проводимость будет складываться из первой и второй проводимости ветвей:
Полная проводимость состоит из активной и реактивной составляющей.
Активная проводимость:
Реактивная проводимость:
1.2 По известным параметрам катушки, используя условие резонанса, рассчитать резонансную емкость конденсатора при частоте 50 Гц.
Условие резонанса наступают тогда, когда мнимая составляющая проводимости равна нулю. Следовательно проводимости катушки и конденсатора равны между собой.
Подставляем известные значения и находим резонансную ёмкость:
- Рассчитать и построить зависимости действующих значений входного тока I, тока катушки IL и тока конденсатора IC от емкости конденсатора. При расчете принять действующее значение напряжения питания U = 20 В, f = 50 Гц. Емкость конденсатора меняется в интервале 0÷60 мкФ с шагом 10 мкФ. Обязательной точкой расчета является точка С =Cрез.
Расчет значений производится по следующим формулам, пример приведен для емкости резонанса токов
Характеристики лабораторной работы
Учебное заведение
Номер задания
Просмотров
4
Размер
137,44 Kb
Список файлов
ТОЭ_ЛР_5.docx
МГТУ им. Н.Э.Баумана
AlexInfinity



















