Лабораторная работа 3: Конденсатор в цепи переменного тока
Описание
ОТЧЕТ ПО ЛАБОРАТОРНОЙ РАБОТЕ №3
ПО ДИСЦИПЛИНЕ
«ТЕОРЕТИЧЕСКИЕ ОСНОВЫ ЭЛЕКТРОТЕХНИКИ»
КОНДЕНСАТОР В ЦЕПИ ПЕРЕМЕННОГО ТОКА
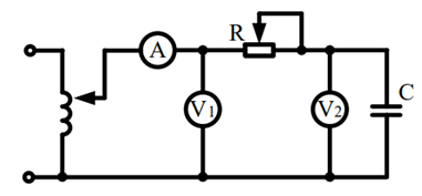
Цель работы: Экспериментальное изучение неразветвленной цепи, содержащей конденсатор и резистор (рис.1), и сопоставление некоторых характеристик этой цепи, полученных расчетным и опытным путями.
Варианты параметров цепи указаны в табл. 1.

Рис.1. – Схема исследуемой цепи
Табл. 1 – Параметры элементов цепи
C , мкФ | R , Ом |
20 | 80 |
1. Подготовка к работе.
1.1. Для установки соотношений R = XС, R < XС, R > XС необходимо сравнить значения на V1 и на V2. Для случая, когда R = XС (рис.2), показания вольтметров должны быть равны. Для случая, когда R < XС (рис.3), показания V1 должны быть меньше показаний V2. Для случая, когда R > XС (рис.4), показания V1 должны быть больше показаний V2.


1.2.Параметры цепи рассчитываются по формулам:
МГТУ им. Н.Э.Баумана
AlexInfinity


















