Для студентов МАИ по предмету Теоретические основы электротехники (ТОЭ)ЛР №14 - "Переходные процессы в R, L цепях"ЛР №14 - "Переходные процессы в R, L цепях"
5,0055
2015-11-172015-11-17СтудИзба
Лабораторная работа: ЛР №14 - "Переходные процессы в R, L цепях"
Описание
Отчет по лабораторной работе №14
"Переходные процессы в R, L цепях"
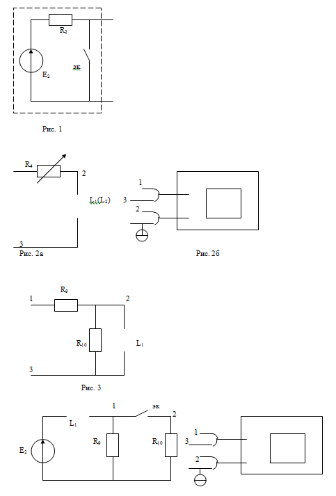
- Цель работы: Исследование переходных процессов в R, L – цепях первого порядка; определение влияния величин элементов цепи на длительность переходных процессов.
- Элементы и приборы: Резисторы: R9=1 кОм, R10=1 кОм, R2=2 ОмБлок переменного сопротивления R4 = 1- 999 Ом. Катушки индуктивности L1, L2 с активными сопротивлениями Rк1, Rк2. Источник постоянного напряжения с регулируемой ЭДС: Е2 =0-24В с внутренним сопротивлением Rвт = 2 Ом. Двухканальный осцилограф.

Характеристики лабораторной работы
Учебное заведение
Семестр
Просмотров
1071
Качество
Идеальное компьютерное
Размер
24,87 Kb
Список файлов
14 лаба
Расчетная часть.doc
Схема.doc
Титул ТОЭ14.doc
Цель работы.doc
ReadMe.txt

Зарабатывай на студизбе! Просто выкладывай то, что так и так делаешь для своей учёбы: ДЗ, шпаргалки, решённые задачи и всё, что тебе пригодилось.
Начать зарабатывать
Начать зарабатывать