Для студентов по предмету Теоретические основы электротехники (ТОЭ)Цепь постоянного тока содержит несколько резисторовЦепь постоянного тока содержит несколько резисторов
5,0053300
2025-09-222025-09-22СтудИзба
ДЗ: Цепь постоянного тока содержит несколько резисторов
Описание
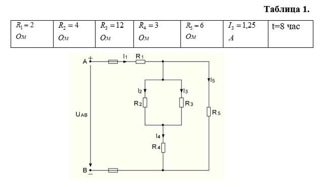
Задача 1. Цепь постоянного тока содержит несколько резисторов, соединенных смешанно. Схема цепи с указанием сопротивлений резисторов приведена на соответствующем рисунке.
Номер рисунка, заданные значения одного из напряжений или токов и величина, подлежащая определению, приведены в табл. 1. Всюду индекс тока или напряжения совпадает с индексом резистора, по которому проходит этот ток или на котором действует это напряжение. Например, через резистор проходит ток и на нем действует напряжение .определить также мощность, потребляемую всей цепью, и расход электрической энергии цепью за 8 ч работы.
Пояснить с помощью логических рассуждений характер изменения электрической величины, заданной в таблице вариантов (увеличится, уменьшится, останется без изменения), если один из резисторов замкнуть накоротко или выключить из схемы.
Характер действия с резистором и его номер указаны в табл. 1. При этом считать напряжение неизменным. При трудностях логических пояснений ответа можно выполнить расчет требуемой величины в измененной схеме и на основании сравнения еѐ в двух схемах дать ответ на вопрос.
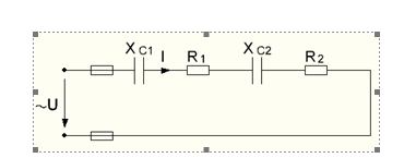
Задача 2 (варианты 01-50) Тема «Электрические цепи переменного тока».
Цепь переменного тока содержит различные элементы (резисторы, индуктивности, емкости), включенные последовательно. Схема цепи приведена на соответствующем рисунке. Номер рисунка и значения сопротивлений всех элементов, а также один дополнительный параметр заданы в табл. 2.
Таблица 2
Задание:
1. Начертить схему цепи и определить следующие величины, относящиеся к данной цепи, если они не заданы в табл. 2: полное сопротивление z; напряжение U, приложенное к цепи; ток I; угол сдвига фаз φ (по величине и знаку); активную P, реактивную Q и полную S мощности цепи.
2. Начертить в масштабе векторную диаграмму цепи и пояснить ее построение.
3. С помощью логических рассуждений пояснить характер изменения (увеличится, уменьшится, останется без изменения) тока, активной, реактивной мощности в цепи при увеличении частоты тока в два раза. Напряжение, приложенное к цепи, считать неизменным.
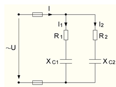
Задача 3. Тема «Разветвленные цепи переменного тока» Цепь переменного тока содержит различные элементы (резисторы, индуктивности, емкости), образующие две параллельные ветви. Схема цепи приведена на рисунках 1-10. Номер рисунка, значение всех сопротивлений, а также один дополнительный параметр заданы в таблице данных.
Начертить схему цепи и определить следующие величины, если они не заданы в табл. 4:
1. Токи в обеих ветвях
2. Ток в неразветвленной части цепи
3. Напряжение, приложенное к цепи
4. Активную. Реактивную и полную мощности для всей цепи
5. Начертить в масштабе векторную диаграмму цепи.
6. Каким образом в данной цепи можно получить резонанс токов?
7. Если цепь не позволяет достигнуть резонанса токов, то пояснить, какой элемент надо дополнительно включить в цепь для этого.
8. Начертить схему такой цепи.
Задача 4. Каждая фаза трехфазного симметричного потребителя (электродвигатель переменного тока) рассчитана на фазное напряжение Uф и имеет активное RФ и индуктивное Хф сопротивления. Номинальное напряжение сети Uном1. Выбрать схему соединения потребителя в зависимости от номинального напряжения сети Uном1 (звездой или треугольником) и начертить ее. Определить активную P, реактивную Q и полную S мощности, расходуемые потребителем. Вычислить потребляемый линейный ток.
Как нужно соединить фазы потребителя (звездой или треугольником) для включения его в сеть с номинальным напряжением Uном2. Вычислить линейные токи в проводах при таком включении. Данные для своего варианта взять из таблицы.
Дано: Uф=220 В, Rф=4,25 Ом, Хф=2,6 Ом, Uном1=220 В, Uном2=380 В.
Задача 5. Тема «Магнитные цепи и их расчет».
На среднем стержне Ш-образного сердечника из электротехнической стали Э21 размещена обмотка с числом витков N. Определить ток в катушке, если магнитная индукция в правом стержне B.
Рассеяние потока не учитывать.
Толщина сердечника h=40 мм. Остальные данные, необходимые для решения задачи, приведены в таблице. Ту же задачу решить при отсутствии воздушных зазоров. Сравните полученные данные и сделайте вывод.
![]()
Номер рисунка, заданные значения одного из напряжений или токов и величина, подлежащая определению, приведены в табл. 1. Всюду индекс тока или напряжения совпадает с индексом резистора, по которому проходит этот ток или на котором действует это напряжение. Например, через резистор проходит ток и на нем действует напряжение .определить также мощность, потребляемую всей цепью, и расход электрической энергии цепью за 8 ч работы.
Пояснить с помощью логических рассуждений характер изменения электрической величины, заданной в таблице вариантов (увеличится, уменьшится, останется без изменения), если один из резисторов замкнуть накоротко или выключить из схемы.
Характер действия с резистором и его номер указаны в табл. 1. При этом считать напряжение неизменным. При трудностях логических пояснений ответа можно выполнить расчет требуемой величины в измененной схеме и на основании сравнения еѐ в двух схемах дать ответ на вопрос.

Цепь переменного тока содержит различные элементы (резисторы, индуктивности, емкости), включенные последовательно. Схема цепи приведена на соответствующем рисунке. Номер рисунка и значения сопротивлений всех элементов, а также один дополнительный параметр заданы в табл. 2.
Таблица 2
R1, Ом | R2, Ом | XС1, Ом | XС2, Ом | Дополнительный параметр |
10 | 6 | 8 | 4 | I= 2 А |

1. Начертить схему цепи и определить следующие величины, относящиеся к данной цепи, если они не заданы в табл. 2: полное сопротивление z; напряжение U, приложенное к цепи; ток I; угол сдвига фаз φ (по величине и знаку); активную P, реактивную Q и полную S мощности цепи.
2. Начертить в масштабе векторную диаграмму цепи и пояснить ее построение.
3. С помощью логических рассуждений пояснить характер изменения (увеличится, уменьшится, останется без изменения) тока, активной, реактивной мощности в цепи при увеличении частоты тока в два раза. Напряжение, приложенное к цепи, считать неизменным.
Задача 3. Тема «Разветвленные цепи переменного тока» Цепь переменного тока содержит различные элементы (резисторы, индуктивности, емкости), образующие две параллельные ветви. Схема цепи приведена на рисунках 1-10. Номер рисунка, значение всех сопротивлений, а также один дополнительный параметр заданы в таблице данных.
Начертить схему цепи и определить следующие величины, если они не заданы в табл. 4:
1. Токи в обеих ветвях
2. Ток в неразветвленной части цепи
3. Напряжение, приложенное к цепи
4. Активную. Реактивную и полную мощности для всей цепи
5. Начертить в масштабе векторную диаграмму цепи.
6. Каким образом в данной цепи можно получить резонанс токов?
7. Если цепь не позволяет достигнуть резонанса токов, то пояснить, какой элемент надо дополнительно включить в цепь для этого.
8. Начертить схему такой цепи.
R1, Ом | R2, Ом | XС1, Ом | XС2, Ом | Дополнительный параметр |
8 | 16 | 6 | 12 | U= 100 B |

Как нужно соединить фазы потребителя (звездой или треугольником) для включения его в сеть с номинальным напряжением Uном2. Вычислить линейные токи в проводах при таком включении. Данные для своего варианта взять из таблицы.
Дано: Uф=220 В, Rф=4,25 Ом, Хф=2,6 Ом, Uном1=220 В, Uном2=380 В.
Задача 5. Тема «Магнитные цепи и их расчет».
На среднем стержне Ш-образного сердечника из электротехнической стали Э21 размещена обмотка с числом витков N. Определить ток в катушке, если магнитная индукция в правом стержне B.
Рассеяние потока не учитывать.
Толщина сердечника h=40 мм. Остальные данные, необходимые для решения задачи, приведены в таблице. Ту же задачу решить при отсутствии воздушных зазоров. Сравните полученные данные и сделайте вывод.

Характеристики домашнего задания
Просмотров
1
Качество
Идеальное компьютерное
Размер
627,05 Kb
Список файлов
Работа
9.doc
диаграмма задача 2.cdw
диаграмма задача 2.jpg
диаграмма задача 3.cdw
диаграмма задача 3.jpg

Если нужен другой вариант работы или отдельная задача из любой работы, пишите в комментарии