Главная » Учебные материалы » Теоретические основы электротехники (ТОЭ) » Домашние задания » Несколько классов/семестров » Цепь постоянного тока содержит несколько резисторов, соединенных смешанно
Для студентов по предмету Теоретические основы электротехники (ТОЭ)Цепь постоянного тока содержит несколько резисторов, соединенных смешанноЦепь постоянного тока содержит несколько резисторов, соединенных смешанно
5,0054067
2025-03-24СтудИзба

ДЗ: Цепь постоянного тока содержит несколько резисторов, соединенных смешанно

Описание

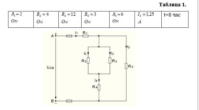
Задача 1. Цепь постоянного тока содержит несколько резисторов, соединенных смешанно. Схема цепи с указанием сопротивлений резисторов приведена на соответствующем рисунке.
Номер рисунка, заданные значения одного из напряжений или токов и величина, подлежащая определению, приведены в табл. 1. Всюду индекс тока или напряжения совпадает с индексом резистора, по которому проходит этот ток или на котором действует это напряжение. Например, через резистор проходит ток и на нем действует напряжение .определить также мощность, потребляемую всей цепью, и расход электрической энергии цепью за 8 ч работы.
Пояснить с помощью логических рассуждений характер изменения электрической величины, заданной в таблице вариантов (увеличится, уменьшится, останется без изменения), если один из резисторов замкнуть накоротко или выключить из схемы.
Характер действия с резистором и его номер указаны в табл. 1. При этом считать напряжение неизменным. При трудностях логических пояснений ответа можно выполнить расчет требуемой величины в измененной схеме и на основании сравнения еѐ в двух схемах дать ответ на вопрос.
Задача 2 (варианты 01-50) Тема «Электрические цепи переменного тока».
Цепь переменного тока содержит различные элементы (резисторы, индуктивности, емкости), включенные последовательно. Схема цепи приведена на соответствующем рисунке. Номер рисунка и значения сопротивлений всех элементов, а также один дополнительный параметр заданы в табл. 2.
Таблица 2
R1, ОмR2,
Ом
XС1, ОмXС2, ОмДополнительный параметр
10684I= 2 А

Задание:
1. Начертить схему цепи и определить следующие величины, относящиеся к данной цепи, если они не заданы в табл. 2: полное сопротивление z; напряжение U, приложенное к цепи; ток I; угол сдвига фаз φ (по величине и знаку); активную P, реактивную Q и полную S мощности цепи.
2. Начертить в масштабе векторную диаграмму цепи и пояснить ее построение.
3. С помощью логических рассуждений пояснить характер изменения (увеличится, уменьшится, останется без изменения) тока, активной, реактивной мощности в цепи при увеличении частоты тока в два раза. Напряжение, приложенное к цепи, считать неизменным
Задача 3. Тема «Разветвленные цепи переменного тока» Цепь переменного тока содержит различные элементы (резисторы, индуктивности, емкости), образующие две параллельные ветви. Схема цепи приведена на рисунках 1-10. Номер рисунка, значение всех сопротивлений, а также один дополнительный параметр заданы в таблице данных.
Начертить схему цепи и определить следующие величины, если они не заданы в табл. 4:
1. Токи в обеих ветвях
2. Ток в неразветвленной части цепи
3. Напряжение, приложенное к цепи
4. Активную. Реактивную и полную мощности для всей цепи
5. Начертить в масштабе векторную диаграмму цепи.
6. Каким образом в данной цепи можно получить резонанс токов?
7. Если цепь не позволяет достигнуть резонанса токов, то пояснить, какой элемент надо дополнительно включить в цепь для этого.
8. Начертить схему такой цепи.
R1, ОмR2, ОмXС1, ОмXС2, ОмДополнительный параметр
816612U= 100 B
Задача 4. Каждая фаза трехфазного симметричного потребителя (электродвигатель переменного тока) рассчитана на фазное напряжение Uф и имеет активное RФ и индуктивное Хф сопротивления. Номинальное напряжение сети Uном1. Выбрать схему соединения потребителя в зависимости от номинального напряжения сети Uном1 (звездой или треугольником) и начертить ее. Определить активную P, реактивную Q и полную S мощности, расходуемые потребителем. Вычислить потребляемый линейный ток.
Как нужно соединить фазы потребителя (звездой или треугольником) для включения его в сеть с номинальным напряжением Uном2. Вычислить линейные токи в проводах при таком включении. Данные для своего варианта взять из таблицы.
Дано: Uф=220 В, Rф=4,25 Ом, Хф=2,6 Ом, Uном1=220 В, Uном2=380 В.
Задача 5. Тема «Магнитные цепи и их расчет».
На среднем стержне Ш-образного сердечника из электротехнической стали Э21 размещена обмотка с числом витков N. Определить ток в катушке, если магнитная индукция в правом стержне B.
Рассеяние потока не учитывать.
Толщина сердечника h=40 мм. Остальные данные, необходимые для решения задачи, приведены в таблице. Ту же задачу решить при отсутствии воздушных зазоров. Сравните полученные данные и сделайте вывод.
Указания : . Напряженность магнитного поля для участков из электротехнической стали Э21 определите из таблицы.
Дано:

Характеристики домашнего задания

Просмотров
3
Качество
Идеальное компьютерное
Размер
735 Kb

Список файлов

9.doc
Картинка-подпись
Если нужен другой вариант работы или отдельная задача из любой работы, пишите в комментарии

Комментарии

Нет комментариев
Стань первым, кто что-нибудь напишет!
Поделитесь ссылкой:
Цена: 600 руб.
Расширенная гарантия +3 недели гарантии, +10% цены
Рейтинг автора
5 из 5
Поделитесь ссылкой:
Сопутствующие материалы

Подобрали для Вас услуги

Вы можете использовать домашнюю работу для примера, а также можете ссылаться на неё в своей работе. Авторство принадлежит автору работы, поэтому запрещено копировать текст из этой работы для любой публикации, в том числе в свою домашнюю работу в учебном заведении, без правильно оформленной ссылки. Читайте как правильно публиковать ссылки в своей работе.
Свежие статьи
Популярно сейчас
Как Вы думаете, сколько людей до Вас делали точно такое же задание? 99% студентов выполняют точно такие же задания, как и их предшественники год назад. Найдите нужный учебный материал на СтудИзбе!
Ответы на популярные вопросы
Да! Наши авторы собирают и выкладывают те работы, которые сдаются в Вашем учебном заведении ежегодно и уже проверены преподавателями.
Да! У нас любой человек может выложить любую учебную работу и зарабатывать на её продажах! Но каждый учебный материал публикуется только после тщательной проверки администрацией.
Вернём деньги! А если быть более точными, то автору даётся немного времени на исправление, а если не исправит или выйдет время, то вернём деньги в полном объёме!
Да! На равне с готовыми студенческими работами у нас продаются услуги. Цены на услуги видны сразу, то есть Вам нужно только указать параметры и сразу можно оплачивать.
Отзывы студентов
Ставлю 10/10
Все нравится, очень удобный сайт, помогает в учебе. Кроме этого, можно заработать самому, выставляя готовые учебные материалы на продажу здесь. Рейтинги и отзывы на преподавателей очень помогают сориентироваться в начале нового семестра. Спасибо за такую функцию. Ставлю максимальную оценку.
Лучшая платформа для успешной сдачи сессии
Познакомился со СтудИзбой благодаря своему другу, очень нравится интерфейс, количество доступных файлов, цена, в общем, все прекрасно. Даже сам продаю какие-то свои работы.
Студизба ван лав ❤
Очень офигенный сайт для студентов. Много полезных учебных материалов. Пользуюсь студизбой с октября 2021 года. Серьёзных нареканий нет. Хотелось бы, что бы ввели подписочную модель и сделали материалы дешевле 300 рублей в рамках подписки бесплатными.
Отличный сайт
Лично меня всё устраивает - и покупка, и продажа; и цены, и возможность предпросмотра куска файла, и обилие бесплатных файлов (в подборках по авторам, читай, ВУЗам и факультетам). Есть определённые баги, но всё решаемо, да и администраторы реагируют в течение суток.
Маленький отзыв о большом помощнике!
Студизба спасает в те моменты, когда сроки горят, а работ накопилось достаточно. Довольно удобный сайт с простой навигацией и огромным количеством материалов.
Студ. Изба как крупнейший сборник работ для студентов
Тут дофига бывает всего полезного. Печально, что бывают предметы по которым даже одного бесплатного решения нет, но это скорее вопрос к студентам. В остальном всё здорово.
Спасательный островок
Если уже не успеваешь разобраться или застрял на каком-то задание поможет тебе быстро и недорого решить твою проблему.
Всё и так отлично
Всё очень удобно. Особенно круто, что есть система бонусов и можно выводить остатки денег. Очень много качественных бесплатных файлов.
Отзыв о системе "Студизба"
Отличная платформа для распространения работ, востребованных студентами. Хорошо налаженная и качественная работа сайта, огромная база заданий и аудитория.
Отличный помощник
Отличный сайт с кучей полезных файлов, позволяющий найти много методичек / учебников / отзывов о вузах и преподователях.
Отлично помогает студентам в любой момент для решения трудных и незамедлительных задач
Хотелось бы больше конкретной информации о преподавателях. А так в принципе хороший сайт, всегда им пользуюсь и ни разу не было желания прекратить. Хороший сайт для помощи студентам, удобный и приятный интерфейс. Из недостатков можно выделить только отсутствия небольшого количества файлов.
Спасибо за шикарный сайт
Великолепный сайт на котором студент за не большие деньги может найти помощь с дз, проектами курсовыми, лабораторными, а также узнать отзывы на преподавателей и бесплатно скачать пособия.
Популярные преподаватели
Добавляйте материалы
и зарабатывайте!
Продажи идут автоматически
7006
Авторов
на СтудИзбе
261
Средний доход
с одного платного файла
Обучение Подробнее
{user_main_secret_data}