Для студентов по предмету Теоретические основы электротехники (ТОЭ)В цепи со смешанным сопротивлением (рис. 1) UCD=U5=100 В, I4=6 А, R1=40 Ом, R2=86 Ом, R3=10 Ом, R4=14 Ом, R5=50 Ом, R0=0,4 Ом. Определить R6, ЭДС E, тВ цепи со смешанным сопротивлением (рис. 1) UCD=U5=100 В, I4=6 А, R1=40 Ом, R2=86 Ом, R3=10 Ом, R4=14 Ом, R5=50 Ом, R0=0,4 Ом. Определить R6, ЭДС E, т
5,005102
2022-04-212022-04-21СтудИзба
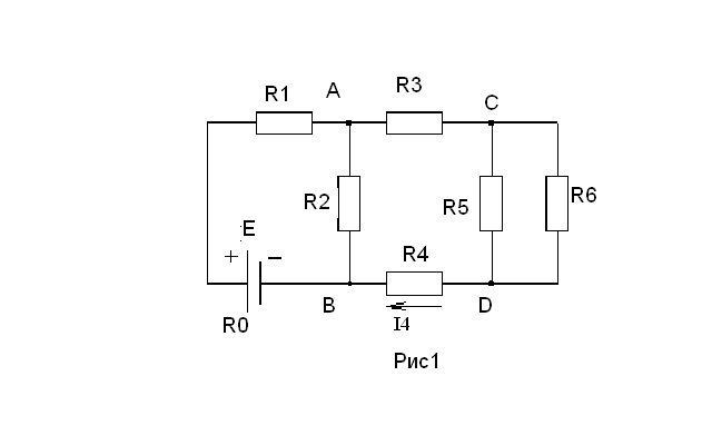
В цепи со смешанным сопротивлением (рис. 1) UCD=U5=100 В, I4=6 А, R1=40 Ом, R2=86 Ом, R3=10 Ом, R4=14 Ом, R5=50 Ом, R0=0,4 Ом. Определить R6, ЭДС E, токи и напряжения и мощность каждого участка цепи и всей цепи. Составить баланс мощностей.
Бестселлер
Описание
В цепи со смешанным сопротивлением (рис. 1) UCD=U5=100 В, I4=6 А, R1=40 Ом, R2=86 Ом, R3=10 Ом, R4=14 Ом, R5=50 Ом, R0=0,4 Ом.
Определить R6, ЭДС E, токи и напряжения и мощность каждого участка цепи и всей цепи. Составить баланс мощностей.
Характеристики решённой задачи
Программы
Просмотров
102
Качество
Идеальное компьютерное
Размер
109,5 Kb
Список файлов
Задача.doc

Комментарии

ds681912: Купи ответы, ответ не получил
В чем проблема? Решение можно как скачать так и просмотреть онлайн. Все ответы есть, схема с направлением токов также представлена.

Отзыв
Купи ответы, ответ не получил