Для студентов НИУ «МЭИ» по предмету Теоретические основы электротехники (ТОЭ)Переходные процессы в линейных цепях с сосредоточенными параметрамиПереходные процессы в линейных цепях с сосредоточенными параметрами
5,0053307
2025-01-232025-01-23СтудИзба
ДЗ: Переходные процессы в линейных цепях с сосредоточенными параметрами
Описание
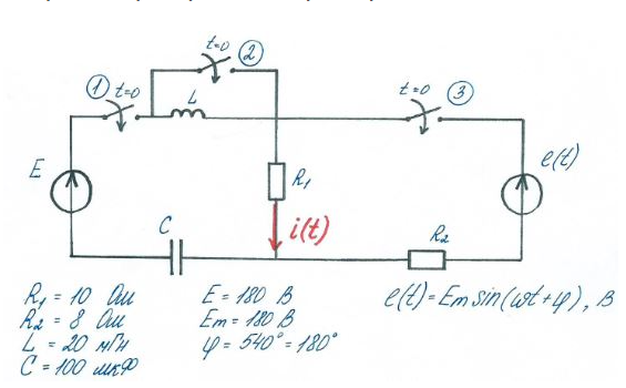
1. Рассчитать классическим методом ток i1(t) на трех этапах, соответствующих последовательному замыканию (или размыканию) трех ключей.
2. Рассчитать тот же ток i1(t) операторным методом. Для первой и второй коммутации воспользоваться операторным методом для полных составляющих тока, для третьей коммутации применить операторный метод для свободной составляющей тока.
3. Построить график зависимости i(t) для трех этапов.
![]()
2. Рассчитать тот же ток i1(t) операторным методом. Для первой и второй коммутации воспользоваться операторным методом для полных составляющих тока, для третьей коммутации применить операторный метод для свободной составляющей тока.
3. Построить график зависимости i(t) для трех этапов.

Характеристики домашнего задания
Учебное заведение
Просмотров
3
Качество
Скан рукописных листов
Размер
5,06 Mb
Список файлов
Scan0002.jpg
Scan0003.jpg
Scan0004.jpg
Scan0005.jpg
Scan0006.jpg
Scan0007.jpg
Scan0008.jpg
Scan0009.jpg
Scan0010.jpg
Scan0011.jpg
Scan0012.jpg
Scan0013.jpg
Scan0014.jpg
Scan0015.jpg
график в мк.xmcd

Если нужен другой вариант работы или отдельная задача из любой работы, пишите в комментарии