Для студентов МГТУ им. Н.Э.Баумана по предмету Теоретические основы электротехники (ТОЭ)Анализ электрического состояния однофазных и трёхфазных цепейАнализ электрического состояния однофазных и трёхфазных цепей
5,00570
2025-01-052025-01-05СтудИзба
Курсовая работа: Анализ электрического состояния однофазных и трёхфазных цепей вариант 4
Описание
КУРСОВАЯ РАБОТА
по Теоретическим Основам Электротехники
«Анализ электрического состояния однофазных и трёхфазных цепей»
Вариант 4 - m
Задание
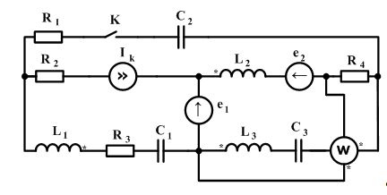
Для схемы (Рисунок 1), параметры которой приведены в табл. 1, считая, что индуктивная связь между катушками индуктивности отсутствует, а коммутатор K замкнут:
1.1. Определить мгновенные значения токов во всех ветвях схемы методом узловых потенциалов.
1.2. Построить совмещенную векторно-топографическую диаграмму
напряжений и токов.
1.3. Проверить энергетический баланс мощностей и определить режимы
работы источников электрической энергии.
1.4. Определить показания ваттметра электродинамической системы.
1.5. Построить круговую диаграмму для тока, протекающего через конденсатор “C1” при изменении модуля его емкостного сопротивления от нуля до бесконечности.
![]()
Таблица 1. Исходные данные к первой и второй части курсовой работы
Таблица 1. Продолжение
2. Для схемы (Рисунок 1), учитывая индуктивную связь между катушками индуктивности и считая, что коммутатор K разомкнут, определить мгновенные значения токов во всех ветвях схемы методом контурных токов.
Аннотация
Курсовая работа 24 с., 7 рис., 3 источника.
Объектом исследования являются цепи синусоидального тока без индуктивной связи и цепи синусоидального тока с индуктивной связью.
Курсовая работа состоит из двух частей.
В первой части осуществляется анализ однофазной электрической цепи синусоидального тока без индуктивных связей.
Во второй – расчет цепи синусоидального тока с индуктивно связанными элементами.
Цель работы – овладеть навыками расчета однофазной электрической цепи синусоидального тока. Научится строить топографические, векторные и круговые диаграммы
Оглавление
Введение . . . . . . . . . . . . . . . . . . . . . . . . . . . . . . . . . . . . 5
1 Анализ электрической цепи синусоидального тока без индуктивной связи. . . . . . . . . . . . . . . . . . . . . . . . . . . . . . . . . . . . . 6
1.1 Определение мгновенных значений токов во всех ветвях схемы методом узловых потенциалов. . . . . . . . . . . . . . . . . . . . . . . . 6
2 Расчет цепи синусоидального тока с индуктивно связанными элементами. . . . . . . . . . . . . . . . . . . . . . . . . . . . . . . . . . . . . .17
Заключение. . . . . . . . . . . . . . . . . . . . . . . . . . . . . . . . . 19
Список источников . . . . . . . . . . . . . . . . . . . . . . . . . . . . . 20
по Теоретическим Основам Электротехники
«Анализ электрического состояния однофазных и трёхфазных цепей»
Вариант 4 - m
Задание
Для схемы (Рисунок 1), параметры которой приведены в табл. 1, считая, что индуктивная связь между катушками индуктивности отсутствует, а коммутатор K замкнут:
1.1. Определить мгновенные значения токов во всех ветвях схемы методом узловых потенциалов.
1.2. Построить совмещенную векторно-топографическую диаграмму
напряжений и токов.
1.3. Проверить энергетический баланс мощностей и определить режимы
работы источников электрической энергии.
1.4. Определить показания ваттметра электродинамической системы.
1.5. Построить круговую диаграмму для тока, протекающего через конденсатор “C1” при изменении модуля его емкостного сопротивления от нуля до бесконечности.

| Рисунок 1. Расчётная схема |
Таблица 1. Исходные данные к первой и второй части курсовой работы
| № | E1m | E2m | Ikm | 1 | 2 | k | f | R1 | R2 | R3 | R4 |
| В | А | град | Гц | Ом | |||||||
| 12 | 150 | 100 | 40 | 45 | -10 | 120 | 50 | 10 | 12 | 8 | 16 |
Таблица 1. Продолжение
| L1 | L2 | L3 | C1 | C2 | C3 | K12 | K13 | K23 |
| мГн | мкФ | |||||||
| 180 | 100 | 50 | 60 | 500 | 100 | 0,4 | 0,8 | 0,2 |
2. Для схемы (Рисунок 1), учитывая индуктивную связь между катушками индуктивности и считая, что коммутатор K разомкнут, определить мгновенные значения токов во всех ветвях схемы методом контурных токов.
Аннотация
Курсовая работа 24 с., 7 рис., 3 источника.
Объектом исследования являются цепи синусоидального тока без индуктивной связи и цепи синусоидального тока с индуктивной связью.
Курсовая работа состоит из двух частей.
В первой части осуществляется анализ однофазной электрической цепи синусоидального тока без индуктивных связей.
Во второй – расчет цепи синусоидального тока с индуктивно связанными элементами.
Цель работы – овладеть навыками расчета однофазной электрической цепи синусоидального тока. Научится строить топографические, векторные и круговые диаграммы
Оглавление
Введение . . . . . . . . . . . . . . . . . . . . . . . . . . . . . . . . . . . . 5
1 Анализ электрической цепи синусоидального тока без индуктивной связи. . . . . . . . . . . . . . . . . . . . . . . . . . . . . . . . . . . . . 6
1.1 Определение мгновенных значений токов во всех ветвях схемы методом узловых потенциалов. . . . . . . . . . . . . . . . . . . . . . . . 6
1.2 Построение совмещённой векторно-топографической диаграммы напряжений и токов. . . . . . . . . . . . . . . . . . . . . . . . . . . . . . 10
1.3 Проверка энергетического баланса мощностей и определение режимов работы источников электрической энергии. . . . . . . . . . . . . . 12
1.4 Определение показаний ваттметра электродинамической системы 13
1.5 Построение круговой диаграммы тока, протекающего через конденсатор «C1 » при изменении модуля его емкостного сопротивления от нуля до бесконечности . . . . . . . . . . . . . . . . . . . . . . . . . . . . . 142 Расчет цепи синусоидального тока с индуктивно связанными элементами. . . . . . . . . . . . . . . . . . . . . . . . . . . . . . . . . . . . . .17
Заключение. . . . . . . . . . . . . . . . . . . . . . . . . . . . . . . . . 19
Список источников . . . . . . . . . . . . . . . . . . . . . . . . . . . . . 20
Характеристики курсовой работы
Учебное заведение
Семестр
Вариант
Просмотров
2
Размер
1,16 Mb
Список файлов
КР ТОЭ.docx
МГТУ им. Н.Э.Баумана
AlexInfinity



















