Для студентов МАИ по предмету Теоретические основы электротехники (ТОЭ)расчетная работа по тоэ (Савостьянов)расчетная работа по тоэ (Савостьянов)
5,0051
2021-01-282021-01-28СтудИзба
Курсовая работа: расчетная работа по тоэ (Савостьянов)
Описание
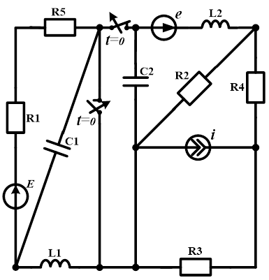
Расчёт установившегося режима в линейной цепи под действием всех источников энергии.

Элементы схемы имеют следующие параметры:E=3,3 В, Em=2 В, Im=0,1 А, , , R1=90 Ом, R2=80 Ом, R3=85 Ом, R4=92 Ом, R5=69 Ом, L1=34 мГн, L2=44 мГн, C1=9,5 мкФ, C2=4,5 мкФ.
Характеристики курсовой работы
Учебное заведение
Семестр
Просмотров
28
Размер
604,03 Kb
Список файлов
Комментарии
Нет комментариев
Стань первым, кто что-нибудь напишет!
МАИ
vk_559697068

















