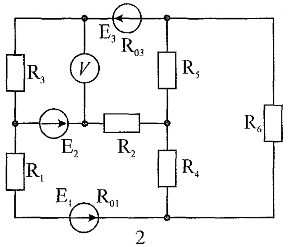
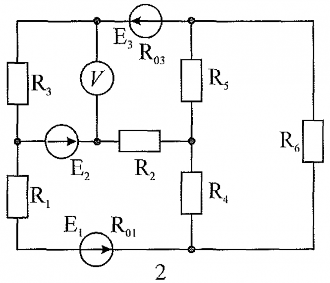
Для студентов УрФУ им. Ельцина по предмету Теоретические основы электротехники (ТОЭ)Вариант 2 - КР - Расчет цепи постоянного токаВариант 2 - КР - Расчет цепи постоянного тока
5,0053332
2021-11-032021-11-03СтудИзба
Ответы к контрольной работе: Вариант 2 - КР - Расчет цепи постоянного тока вариант 2
Описание
Характеристики ответов (шпаргалок) к КР
Учебное заведение
Семестр
Вариант
Просмотров
5
Качество
Идеальное компьютерное
Размер
369,06 Kb
Список файлов
2 вариант.docx

Если нужен другой вариант работы или отдельная задача из любой работы, пишите в комментарии