Для студентов по предмету Теоретическая механикаЗадача С1Задача С1
2023-11-052023-11-05СтудИзба
Задача С1 вариант 77
Описание
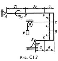
Жесткая рама, расположенная в вертикальной плоскости (рис. С1.0 - С1.9, табл. С1), закреплена в точке А шарнирно, а в точке В прикреплена или к невесомому стержню с шарнирами на концах, или к шарнирной опоре на катках.
В точке С к раме привязан трос, перекинутый через блок и несущий на конце груз весом Р = 25 кН. На раму действуют пара сил с моментом М = 100 кН·м и две силы, значения, направления и точки приложения которых указаны в таблице (например, в условиях № 1 на раму действует сила F2 под углом 15° к горизонтальной оси, приложенная в точке D, и сила F3 под углом 60° к горизонтальной оси, приложенная в точке Е, и т.д.).
Определить реакции связей в точках А, В, вызываемые действующими нагрузками. При окончательных расчетах принять а = 0,5 м.
![]()
В точке С к раме привязан трос, перекинутый через блок и несущий на конце груз весом Р = 25 кН. На раму действуют пара сил с моментом М = 100 кН·м и две силы, значения, направления и точки приложения которых указаны в таблице (например, в условиях № 1 на раму действует сила F2 под углом 15° к горизонтальной оси, приложенная в точке D, и сила F3 под углом 60° к горизонтальной оси, приложенная в точке Е, и т.д.).
Определить реакции связей в точках А, В, вызываемые действующими нагрузками. При окончательных расчетах принять а = 0,5 м.


Характеристики решённой задачи
Предмет
Номер задания
Вариант
Теги
Просмотров
30
Размер
27,55 Kb
Список файлов

Зарабатывай на студизбе! Просто выкладывай то, что так и так делаешь для своей учёбы: ДЗ, шпаргалки, решённые задачи и всё, что тебе пригодилось.
Начать зарабатывать
Начать зарабатывать