Для студентов МГТУ им. Н.Э.Баумана по предмету Теоретическая механикаУравнения Лагранжа 2-го родаУравнения Лагранжа 2-го рода
4,915687
2025-09-092025-09-09СтудИзба
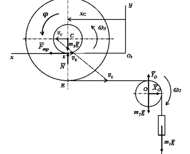
ДЗ 3: Уравнения Лагранжа 2-го рода вариант 2
-32%
Описание
При покупке Вы можете получить подарок 20 руб.
Зачтено на максимальный балл!!!
Идеальное качество файлов, документов
Не только копировать, а нужно понимать!



Характеристики домашнего задания
Предмет
Учебное заведение
Семестр
Номер задания
Вариант
Программы
Теги
Просмотров
1
Качество
Идеальное компьютерное
Размер
660,22 Kb
Список файлов
Var_2.docx

Ваше удовлетворение является нашим приоритетом. Вставьте 5 звезд и позитивные комментарии сразу дам Вам подарок. Благодарю за использование моей службы!!