Для студентов СПбПУ Петра Великого по предмету Теоретическая механикаСтатика на плоскостиСтатика на плоскости
5,0053244
2022-11-152022-11-15СтудИзба
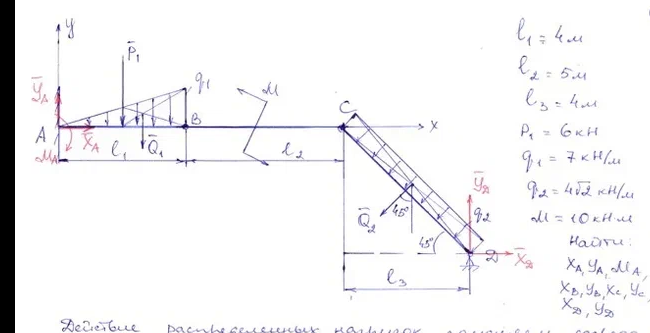
ДЗ: Статика на плоскости вариант 16
Описание

Характеристики домашнего задания
Предмет
Учебное заведение
Вариант
Просмотров
12
Качество
Фото рукописных листов
Размер
608,13 Kb
Список файлов
Вариант №16
1.jpg
2.jpg
3.jpg
4.jpg
8GgTAm76GlE.jpg
FqAM5GOBeDo.jpg

Если нужен другой вариант работы или отдельная задача из любой работы, пишите в комментарии