Для студентов МГТУ им. Н.Э.Баумана по предмету Теоретическая механикаКолебания линейной системы с одной степенью свободыКолебания линейной системы с одной степенью свободы
5,00536
2022-05-082022-05-08СтудИзба
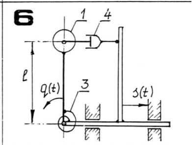
ДЗ 2: Колебания линейной системы с одной степенью свободы вариант 6
Описание
Характеристики домашнего задания
Предмет
Учебное заведение
Семестр
Номер задания
Вариант
Просмотров
46
Качество
Фото рукописных листов
Размер
2,74 Mb
Список файлов
ДЗ 3 теормех.pdf
Комментарии
Нет комментариев
Стань первым, кто что-нибудь напишет!

МГТУ им. Н.Э.Баумана



















