Для студентов МГТУ им. Н.Э.Баумана по предмету Теоретическая механикаПлоская и пространственная статикаПлоская и пространственная статика
2021-03-022021-03-02СтудИзба
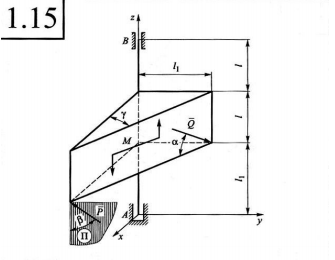
ДЗ 4: Плоская и пространственная статика вариант 15
Описание

Характеристики домашнего задания
Предмет
Учебное заведение
Семестр
Номер задания
Вариант
Просмотров
44
Размер
753,34 Kb
Список файлов
Теоретическая механика ДЗ 4.docx
Комментарии
Нет комментариев
Стань первым, кто что-нибудь напишет!
МГТУ им. Н.Э.Баумана


















