Для студентов МГТУ им. Н.Э.Баумана по предмету Теоретическая механикаКолебания линейной системы с одной степенью свободыКолебания линейной системы с одной степенью свободы
5,00525
2020-06-252025-02-11СтудИзба
ДЗ 2: Колебания линейной системы с одной степенью свободы вариант 9
-43%
Описание
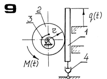
Типовой расчет по теоретической механике, "Колебания", зачтено
![]()


Характеристики домашнего задания
Предмет
Учебное заведение
Семестр
Номер задания
Вариант
Просмотров
346
Качество
Скан рукописных листов
Размер
6,08 Mb
Список файлов
колебания 4 вар 9.pdf

Спасибо за покупку! Я буду очень рад, если поставишь справедливую оценку купленному файлу :3 Ищи больше работ в моём профиле, там много нужного тебе!