Курсовая работа: Контрольная работа вариант 28
Описание
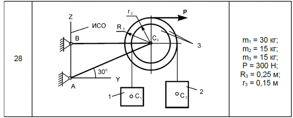
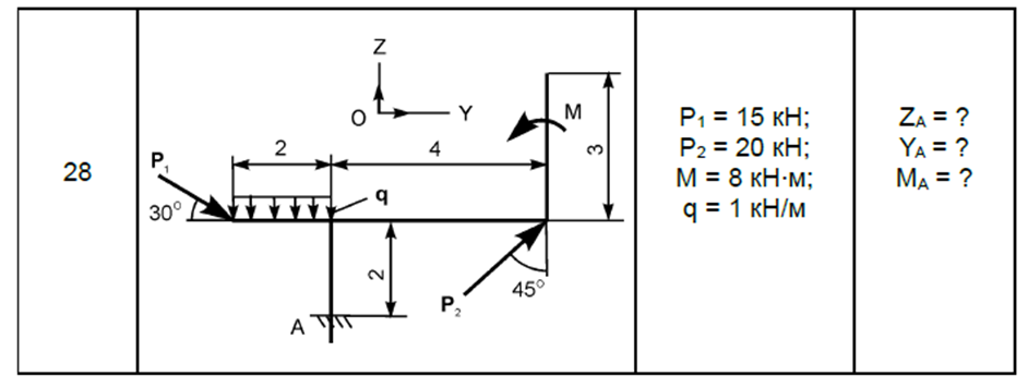
1.18. Определение реакции опор твердого тела.
Используя основную форму уравнений равновесия для плоской произвольной системы сил, определить реакции внешних связей, наложенных на балку. Применяя другую форму уравнений равновесия, проверить правильность расчетов.
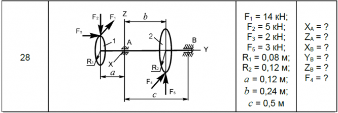
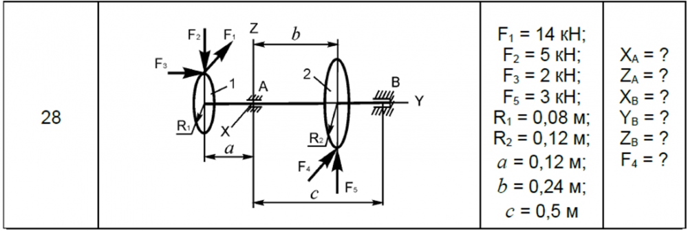
1.27 Определение реакции опор твердого тела.
Определить реакции внешних связей, наложенных на конструкцию, и величину силы F4.
Дано:
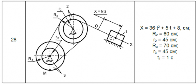
2.16 Определение скоростей и ускорений точек твердого тела при поступательном и вращательном движениях
Определить скорость и ускорение точки M в момент времени t1.
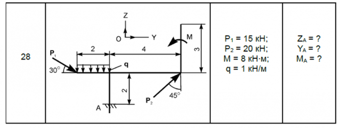
2.21. Кинематический анализ плоского механизма.
Найти модули скоростей точек A, B, Cи модули угловых скоростей звеньев этого механизма.
5.5.3 Применение теоремы об изменении кинетической энергии к изучению движения механической системы.
Пренебрегая силами сопротивления и массами нитей, предполагаемых нерастяжимыми, определить скорость центра масс C1 тела 1 в тот момент времени, когда пройденный путь им станет равным SC1.
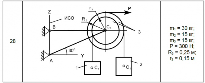
5.6.4 Применение принципа Даламбера к определению реакции связей.
Определить реакции внешних связей при заданном положении.
Дано:

Характеристики курсовой работы
Список файлов
