Практическая по ЭЭО: режимы, время и расход электрода
Задача: Расчет режимов электроэрозионной обработки и показателей ЭЭО
ПРАКТИЧЕСКИЕ РАБОТЫ
по учебному курсу «Специальные технологии в машиностроении»
(наименование учебного курса)
Вариант 7
- энергию импульсов АИ,
- емкость зарядного конденсатора С ГИ,
- среднее напряжение пробоя Uпр,
- силу тока короткого замыкания Iк,
- среднее значение силы тока Іср,
- частоту следования импульсов ГИ f,
- период повторения импульсов tпр,
- длительность импульсов tи;
- определить ожидаемую толщину дефектного слоя Н и дать заключение о вероятности возникновения микротрещин на обработанной поверхности заготовки после ЭЭО. Вид обработки везде – предварительная.
Исходные данные.
Таблица 1 – Варианты заданий к практическому заданию
Таблица 2 – Параметры обработки к задаче 2
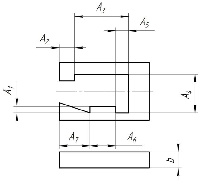
Таблица 3 – Размеры паза (к рисунку 1), мм
варианты 6-10
Рисунок 1 – Эскиз заготовки по вариантам: варианты 6-10Показать/скрыть дополнительное описание
по учебному курсу «Специальные технологии в машиностроении»
(наименование учебного курса)
Вариант 7
Задача № 1
Определить необходимые для обеспечения заданного качества обработанной поверхности заготовки показатели электрического режима ЭЭО:- энергию импульсов АИ,
- емкость зарядного конденсатора С ГИ,
- среднее напряжение пробоя Uпр,
- силу тока короткого замыкания Iк,
- среднее значение силы тока Іср,
- частоту следования импульсов ГИ f,
- период повторения импульсов tпр,
- длительность импульсов tи;
- определить ожидаемую толщину дефектного слоя Н и дать заключение о вероятности возникновения микротрещин на обработанной поверхности заготовки после ЭЭО. Вид обработки везде – предварительная.
Исходные данные.
Таблица 1 – Варианты заданий к практическому заданию
| № вар. | Ra | β1 | , м/Дж0,333 | q | Uхх, В | Материал заготовки | Модель станка | Модель ГИ |
| 7 | 12,5 | 1,4 | 50 | 25 | 100 | АЛ6 | СВЭИ-7 | ГКИ-300-200А |
Задача №2:
Определить технико-экономические показатели ЭЭО заготовок: производительность Q, основное технологическоевремя То, суммарные энергозатраты Аз, расход ЭИ по массе МиТаблица 2 – Параметры обработки к задаче 2
| № вар. | к2 | , м2/(сВА) | dи, мм | Rmax, мм | rи, мм | Vпр, мм/с | ρ, кг/м3 |
| 7 | 1,05 | 5,87 | 0,3 | – | 0,15 | 30 | 8440(Л63) |
Таблица 3 – Размеры паза (к рисунку 1), мм
| № вар. | А1 | А2 | А3 | А4 | А5 | А6 | А7 | b |
| 7 | 8 | 12 | 18 | 13 | 8 | 12 | 18 | 25 |
варианты 6-10 Рисунок 1 – Эскиз заготовки по вариантам: варианты 6-10Показать/скрыть дополнительное описание
Практическая работа по специальным технологиям в машиностроении посвящена электроэрозионной обработке заготовки из сплава АЛ6. В ней рассчитаны режимы импульсов, толщина дефектного слоя, производительность проволочной ЭЭО, основное время и расход электрода. Материал подходит студентам машиностроительных направлений как образец инженерных вычислений и оформления расчетной части..
Характеристики решённой задачи
Учебное заведение
Семестр
Просмотров
1
Размер
447,48 Kb
Список файлов
ПРАКТИЧЕСКИЕ РАБОТЫ.docx
🎓 Никольский - Помощь студентам 📚 Любые виды работ: тесты, сессии под ключ, практики, курсовые и дипломные с гарантией результата ✅ Все услуги под ключ ✅ Знаем все тонкости именно вашего ВУЗа ✅ Сдадим или вернем деньги
Комментарии
Нет комментариев
Стань первым, кто что-нибудь напишет!
МФПУ «Синергия»
nikolskypomosh















