Для студентов МГТУ им. Н.Э.Баумана по предмету Технология машиностроения (ТМ)Отчет по производственной практике (ПАО "Машиностроительный завод" - головка тепловыделяющей кассеты РБМК-1000)Отчет по производственной практике (ПАО "Машиностроительный завод" - головка тепловыделяющей кассеты РБМК-1000)
5,0053491
2025-03-232025-03-24СтудИзба
Отчёт по практике 1: Отчет по производственной практике (ПАО "Машиностроительный завод" - головка тепловыделяющей кассеты РБМК-1000)
Описание
1.История завода ПАО «МСЗ» . 3
3.Описание реакторной установки РБМК-1000. 6
4.Описание конструкции ТВС реактора РБМК-1000. 6
5.Технологический процесс сборки сборочной единицы.. 12
5.1. Технологическая схемы общей и узловой сборки. 12
5.2. Технологический процесс сборки. 13
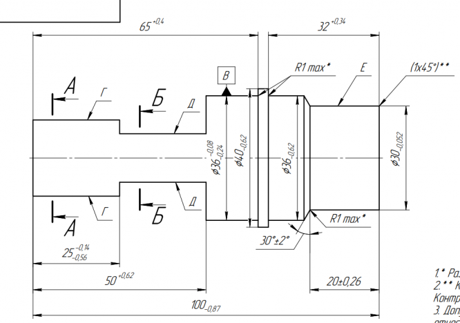
6.Технология изготовления детали. 16
6.1.Анализ технологических требований, предъявляемых к детали. 16
6.2.Анализ технологичности детали. 16
6.3.Маршрут обработки детали. 17
6.4.Эскизы технологических операций обработки. 19
Характеристики отчёта по практике
Учебное заведение
Номер задания
Программы
Просмотров
9
Качество
Идеальное компьютерное
Размер
817,4 Kb
Преподаватели
Список файлов
СтержСоШтанг.cdw
Головка.cdw
Техн.cdw
Штанг.cdw
отчетПрак8сем.docx
Комментарии
Нет комментариев
Стань первым, кто что-нибудь напишет!
МГТУ им. Н.Э.Баумана
A45162

















