Для студентов МГТУ им. Н.Э.Баумана по предмету Технология машиностроения (ТМ)Разработка маршрутного технологического процессаРазработка маршрутного технологического процесса
5,0051
2025-10-132025-10-13СтудИзба
ДЗ 1: Разработка маршрутного технологического процесса
Описание
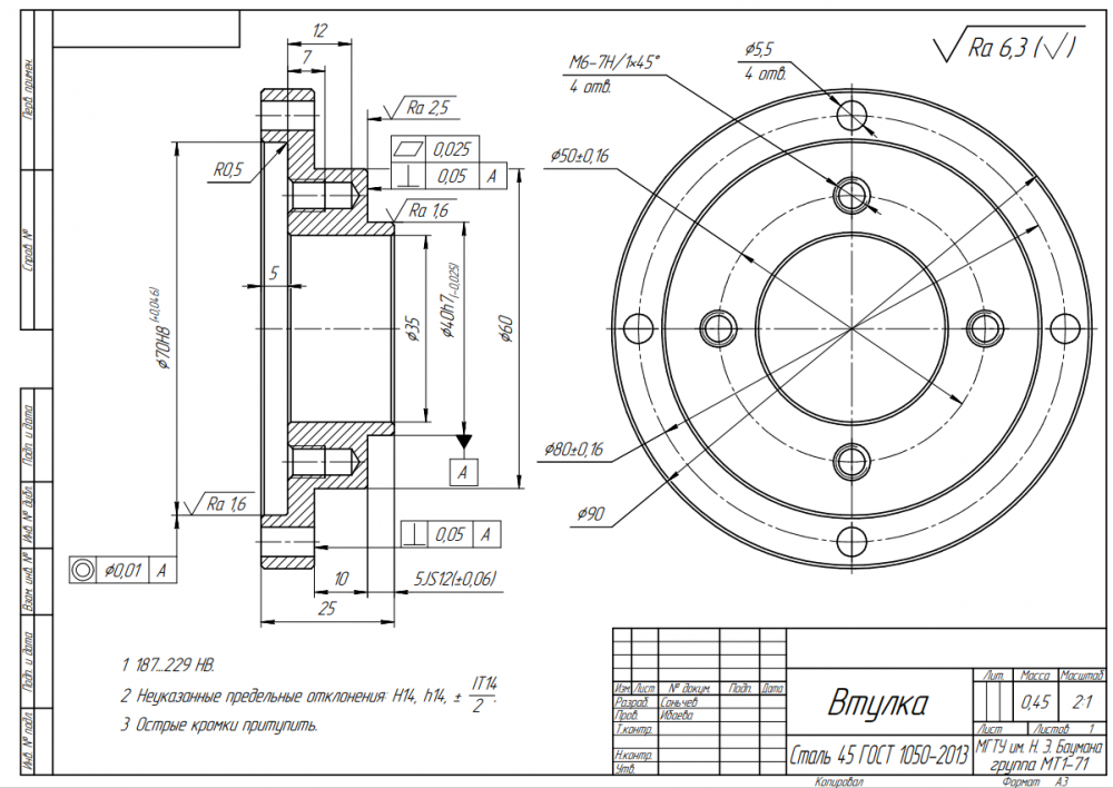
Домашнее задание 1 семестра техмаша из 3, содержание и чертеж в описании:
![]()

Файлы условия, демо
Характеристики домашнего задания
Учебное заведение
Номер задания
Программы
Просмотров
25
Размер
921,71 Kb
Преподаватели
Список файлов
7 семестр.docx
Втулка.cdw
Втулка.m3d
Втулка.pdf
Комментарии
Нет комментариев
Стань первым, кто что-нибудь напишет!
МГТУ им. Н.Э.Баумана



















