Для студентов МГТУ им. Н.Э.Баумана по предмету Технология машиностроения (ТМ)Разработка маршрутного технологического процессаРазработка маршрутного технологического процесса
2,97542
2024-05-032024-05-03СтудИзба
ДЗ 1: Разработка маршрутного технологического процесса вариант 4
Описание
ДЗ ДЛЯ 2го семестра техмаша!
Условие ДЗ:
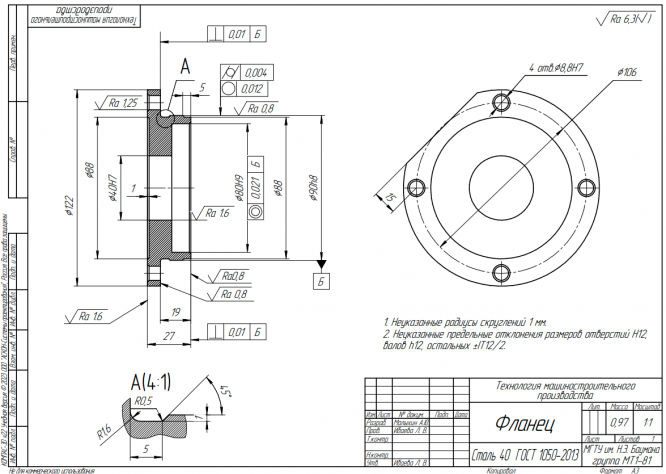
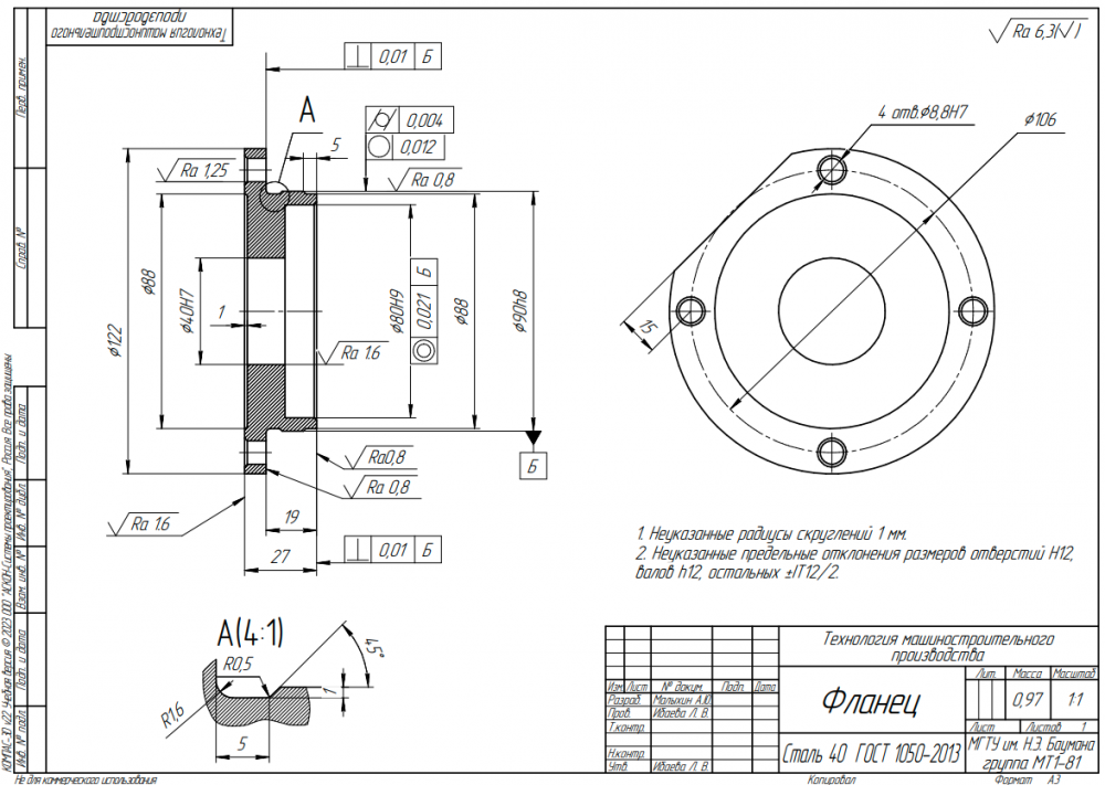
Архив содержит: чертеж и модель исходной детали, обоснование выбора баз, МТП, ОТП, Чертеж и сборку приспособления. Все детали сборки в папке приспособление.
![]()
Условие ДЗ:

Архив содержит: чертеж и модель исходной детали, обоснование выбора баз, МТП, ОТП, Чертеж и сборку приспособления. Все детали сборки в папке приспособление.

Файлы условия, демо
Характеристики домашнего задания
Учебное заведение
Номер задания
Вариант
Программы
Теги
Просмотров
124
Качество
Идеальное компьютерное
Размер
12,83 Mb
Преподаватели
Список файлов
Приспособление
Болт.m3d
Втулка.m3d
Грибок.m3d
Деталь.m3d
Корпус поджима.m3d
Основание.m3d
Палец.m3d
Пластинка.m3d
Поджим.a3d
Прижим верхний.m3d
Проставка.m3d
Пружина.m3d
Сборка.a3d
Сборка.cdw
Спецификация.spw
Стол станка.m3d
Т образный болт.m3d
Толкатель.m3d
Чертеж.cdw
Чертеж2.cdw
Шпонка.m3d
Шток.m3d
Приспособление.a3d
Приспособление.stp
Деталь.m3d
МТП.cdw
МТП.pdf
ОТП.cdw
ОТП.pdf
Обоснование выбора баз.docx
Комментарии

dissalatore: Есть косяки в эскизах - насчет закрепления и на некоторых ошибки в проекционных связях (где вид слева нарисован вид справа). На самом чертеже убогая штриховка. Не совсем понятно, зачем используется то
Что касается детали и штриховки на ней - задание в таком виде выдал преподаватель, стп файл добавил. Касательно содержания домашнего задания, не знаю как у других, но у нас назначение материала детали и разработка МТП относятся к разным ДЗ.

Отзыв
Есть косяки в эскизах - насчет закрепления и на некоторых ошибки в проекционных связях (где вид слева нарисован вид справа). На самом чертеже убогая штриховка. Не совсем понятно, зачем используется тонкое точение, когда можно обойтись шлифованием. Нет модели stp. Неудобно, так как не все пользуются компасом. Сама деталь в целом нелогичная - рабочие - сразу два торца. Некоторые требования к шероховатостям выглядят завышенными. На сайте продаются полноценные тех. процессы с описанием (назначение материала, детали, выбор заготовки и т.д.) за те же деньги. Эта же работа своих денег не стоит.