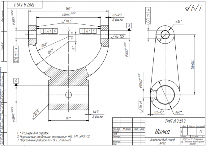
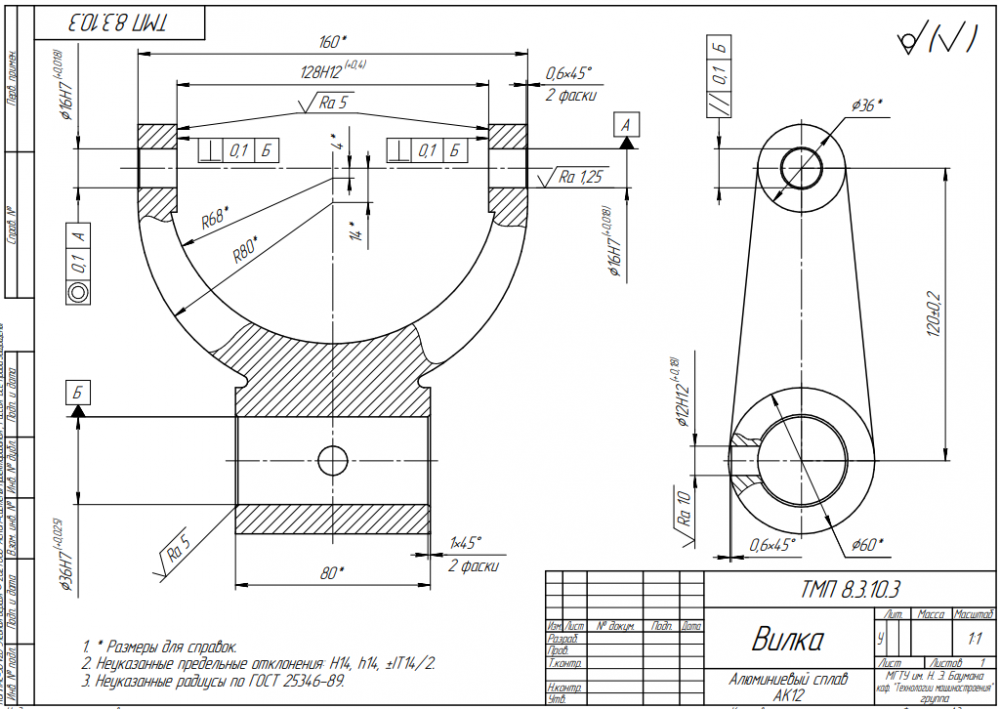
Для студентов МГТУ им. Н.Э.Баумана по предмету Технология машиностроения (ТМ)Вилка. Операционные карты/режимы резанияВилка. Операционные карты/режимы резания
4,825254
2023-03-012023-03-01СтудИзба
ДЗ: Вилка. Операционные карты/режимы резания вариант 8.3.10
Описание
Характеристики домашнего задания
Учебное заведение
Вариант
Просмотров
88
Размер
1,56 Mb
Список файлов
Вилка _ ТМП 8.3.10.3.pdf
ДЗ.docx
ДЗ.pdf
Комментарии
Нет комментариев
Стань первым, кто что-нибудь напишет!

МГТУ им. Н.Э.Баумана
SilverStars



















