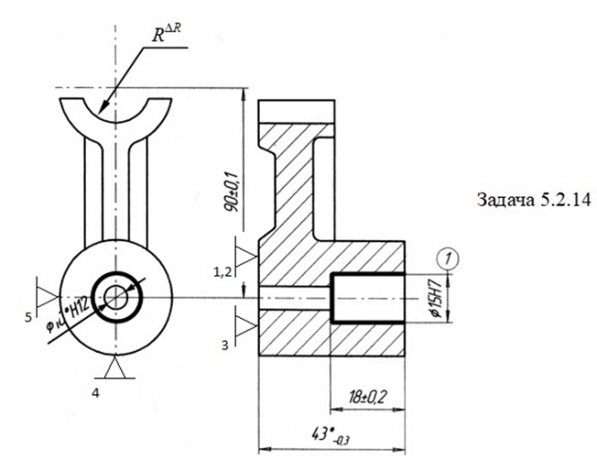
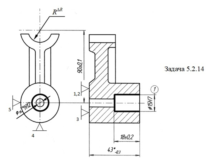
Для студентов МГТУ им. Н.Э.Баумана по предмету Технология машиностроения (ТМ)Задача 5.2.14Задача 5.2.14
5,00554
2022-06-042022-06-04СтудИзба
ДЗ: Задача 5.2.14
Описание
Характеристики домашнего задания
Учебное заведение
Просмотров
69
Размер
60,93 Kb
Список файлов
TMP_1 (1).docx
Комментарии
Нет комментариев
Стань первым, кто что-нибудь напишет!
МГТУ им. Н.Э.Баумана
ЪЪъ


















