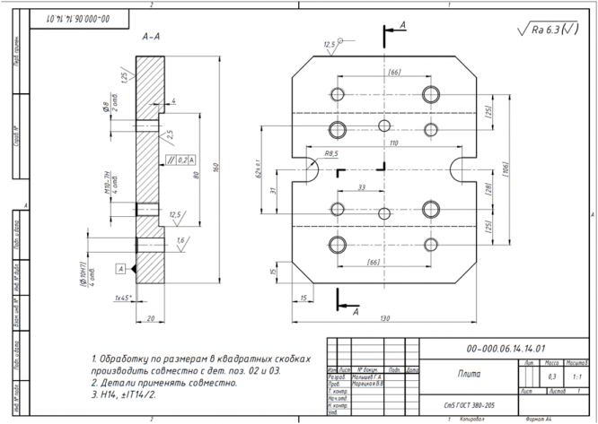
Для студентов МГТУ им. Н.Э.Баумана по предмету Технология машиностроения (ТМ)Разработка маршрутного технологического процесса изготовления детали - ПлитаРазработка маршрутного технологического процесса изготовления детали - Плита
5,0051
2021-01-202021-01-20СтудИзба
ДЗ: Разработка маршрутного технологического процесса изготовления детали - Плита
Описание
Разработка маршрутного технологического процесса изготовления детали
Часть 1
- Выполнить анализ технических требований к детали, выявление основных технологических задач, разработать схемы контроля для 1 из основных требований к ориентации, месторасположению и биению поверхностей (см. ГОСТ Р 53442-2009).
- Выполнить анализ технологичности конструкции детали (по качественным критериям).
- Выбрать вид и способ получения заготовки.
- Изобразить эскиз выбранной заготовки с припусками, указанием размеров, их точности (допусков) и шероховатости.
Часть 2
- Разработать маршруты обработки основных поверхностей заготовки.
- Разработать маршрутный технологический процесс изготовления детали с выбором типа технологического оборудования.
Характеристики домашнего задания
Учебное заведение
Программы
Просмотров
91
Качество
Идеальное компьютерное
Размер
1,62 Mb
Преподаватели
Список файлов
ДЗ - Разработка маршрутного технологического процесса изготовления детали - Плита.docx
ДЗ - Разработка маршрутного технологического процесса изготовления детали - Плита.dwg

Вам все понравилось? Получите кэшбэк - 40 рублей на Ваш счёт при покупке. Поставьте оценку и напишите положительный комментарий к купленному файлу. После Вы получите деньги на ваш счет.