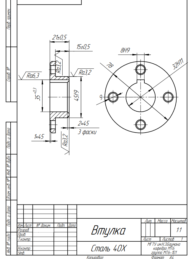
Для студентов МГТУ им. Н.Э.Баумана по предмету Технология машиностроения (ТМ)Разработка маршрутного технологического процесса изготовления детали - ВтулкаРазработка маршрутного технологического процесса изготовления детали - Втулка
5,0052
2021-01-202021-01-26СтудИзба
ДЗ: Разработка маршрутного технологического процесса изготовления детали - Втулка
Описание
Разработка маршрутного технологического процесса изготовления детали - Втулка

- 1. Анализ технологических требований к детали.
- 2. Анализ технологичности конструкции детали.
- 3. Выбор вида заготовки, метода ее изготовления, проектирование эскиза заготовки.
- 4. Исходная заготовка.
- 5. Выбор маршрутов обработки основных поверхностей
- Разработка маршрутного технологического процесса изготовления втулки.
Файлы условия, демо
Характеристики домашнего задания
Учебное заведение
Просмотров
151
Качество
Идеальное компьютерное
Размер
1,07 Mb
Преподаватели
Список файлов
ДЗ - Разработка маршрутного технологического процесса изготовления детали - Втулка - 1.docx
ДЗ - Разработка маршрутного технологического процесса изготовления детали - Втулка - 2.docx
Деталь.pdf

Вам все понравилось? Получите кэшбэк - 40 рублей на Ваш счёт при покупке. Поставьте оценку и напишите положительный комментарий к купленному файлу. После Вы получите деньги на ваш счет.