Для студентов МГТУ им. Н.Э.Баумана по предмету Технология машиностроения (ТМ)Курсовой проект Курсовой проект
5,0056
2019-01-202019-01-20СтудИзба
ДЗ: Курсовой проект
Описание
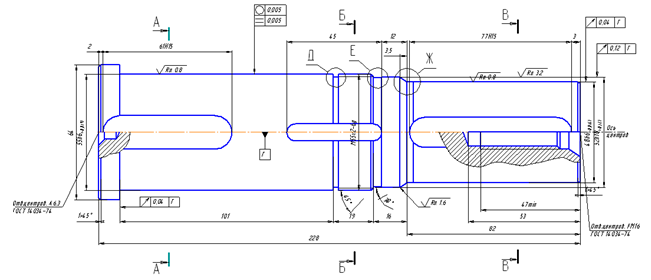
Курсовой проект технологии машиностроения. Деталь - Вал.
![]()

Характеристики домашнего задания
Учебное заведение
Просмотров
877
Размер
1,06 Mb
Список файлов
тм
Деталь А2.cdw
Деталь А2.cdw.bak
Заготовка А2.cdw
Заготовка А2.cdw.bak
Записка2.docx
Операционный №1.cdw
Операционный №1.cdw.bak
Операционный №2.cdw
Операционный №2.cdw.bak
Операционный №3.cdw
Операционный №3.cdw.bak
Операционный №4.cdw
Операционный №4.cdw.bak
Операционный №5.cdw
Операционный №5.cdw.bak
Операционный №6.cdw
Операционный №6.cdw.bak
Спецификация Станочное приспособление.spw
Спецификация Станочное приспособление.spw.bak
Станочное приспособление А2.cdw
Станочное приспособление А2.cdw.bak
Титул.doc
Титульник на карты.cdw
Титульник на карты.cdw.bak
Фрагмент.frw
содержание.doc
Комментарии
Нет комментариев
Стань первым, кто что-нибудь напишет!
МГТУ им. Н.Э.Баумана
palanik88

















