Для студентов КГТУ по предмету Технология машиностроения (ТМ)Разработка технологического процесса изготовления детали "Втулка"Разработка технологического процесса изготовления детали "Втулка"
5,0056
2023-02-242023-02-24СтудИзба
Курсовая работа: Разработка технологического процесса изготовления детали "Втулка"
Описание
Курсовой проект по дисциплине Технология машиностроения
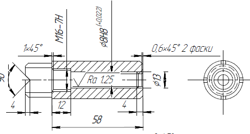
Тема: Разработка технологического процесса изготовления детали "Втулка"
![]()
Тема: Разработка технологического процесса изготовления детали "Втулка"



Характеристики курсовой работы
Учебное заведение
Семестр
Просмотров
28
Размер
2,59 Mb
Список файлов
Курсовой Тех.Маш..docx
база1.pdf
база2.pdf
база3.pdf
Наладка.pdf
Поковка.pdf
Прокат.pdf
Чертеж.pdf
Чертеж2.pdf