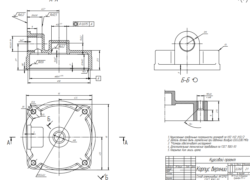
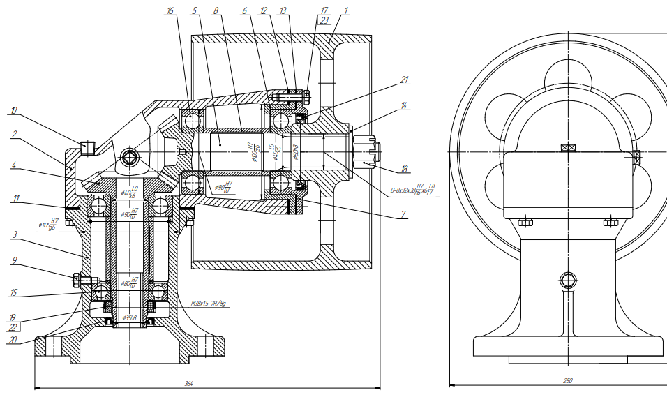
Для студентов МГТУ им. Н.Э.Баумана по предмету Технология машиностроения (ТМ)Технологический процесс сборки «Шкив приводной» и изготовления детали «Корпус верхний» Технологический процесс сборки «Шкив приводной» и изготовления детали «Корпус верхний»
5,0051
2022-01-212022-01-21СтудИзба
Курсовая работа: Технологический процесс сборки «Шкив приводной» и изготовления детали «Корпус верхний»
Описание
Характеристики курсовой работы
Учебное заведение
Просмотров
74
Размер
1,75 Mb
Список файлов
Курсач
Исходные данные
Сборочный чертеж.pdf
Спецификация_1.xls
Спецификация_2.xls
Чертеж детали.pdf
МК и ОК
МК детали.xls
МК сборки.xls
ОК детали.xls
Чертежи ПДФ
Лист1.pdf
Лист2.pdf
Лист3.pdf
Лист4.pdf
Лист5.pdf
Чертежи в компасе
Лист1.cdw
Лист2.cdw
Лист3.cdw
Лист4.cdw
Лист5.cdw
РПЗ.docx
Вопросы
Вопрос
В файле присутствуют 2 маршрута технологического процесса детали? Например единичный и среднесерийный

МГТУ им. Н.Э.Баумана
ReshalaNaMeste


















