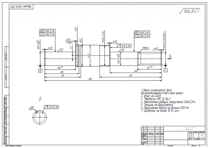
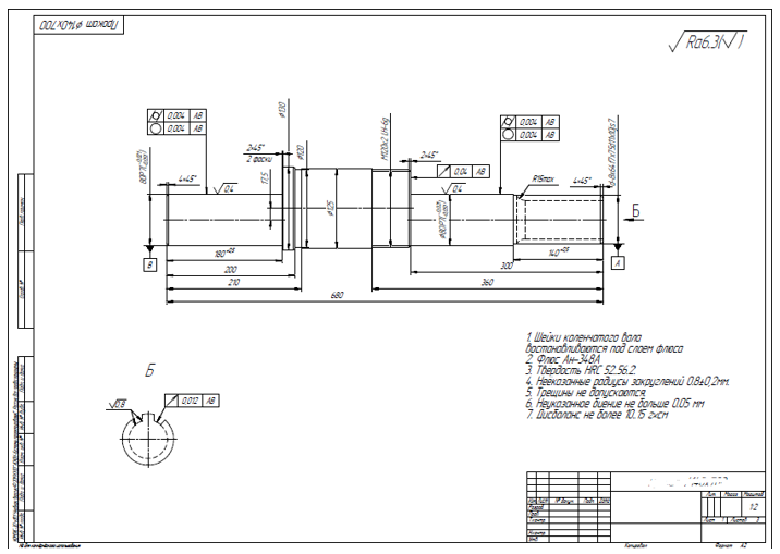
Для студентов МГТУ им. Н.Э.Баумана по предмету Технология машиностроения (ТМ)ДЗ №1 - Эксцентриковый валДЗ №1 - Эксцентриковый вал
5,0052
2020-05-132020-05-13СтудИзба
Курсовая работа: ДЗ №1 - Эксцентриковый вал
Описание
Характеристики курсовой работы
Учебное заведение
Просмотров
97
Размер
2,72 Mb
Список файлов
1ДЗ 12.05.20.docx
030.dxf
030.frw
030.frw.bak
Маршрутний лист и операционные листы.PDF
Операция 025.cdw
Операция 025.cdw.bak
Операция 025.pdf
Операция 030.cdw
Операция 030.cdw.bak
Операция 030.pdf
Условия.docx
Условия2.docx
Чертеж.cdw
Чертеж.cdw.bak
Чертеж1.cdw
Чертеж1.cdw.bak
Чертеж3.pdf
МГТУ им. Н.Э.Баумана


















