Для студентов МГТУ им. Н.Э.Баумана по предмету Технология машиностроения (ТМ)Технологический процесс сборки узла «Сверло с СМП » и технический процесс изготовления детали «Корпус сверла » Технологический процесс сборки узла «Сверло с СМП » и технический процесс изготовления детали «Корпус сверла »
5,0055
2018-06-022018-06-02СтудИзба
Курсовая работа: Технологический процесс сборки узла «Сверло с СМП » и технический процесс изготовления детали «Корпус сверла »
Описание
Технологический процесс сборки узла «Сверло с СМП » и технический процесс изготовления детали «Корпус сверла »
Аннотация
В данном проекте был спроектирован технологический процесс сборки узла «Сверло с СМП » и спроектирован технический процесс изготовления детали «Корпус сверла » , которая является составной частью этого узла.Также в ходе курсового проектирования было разработано приспособление для механической обработки детали «Корпус сверла » – «Приспособление для сверления отверстий » .
Оглавление
- Аннотация. 1
- 1. Проектирование технологического процесса сборки узла. 3
- 1.1. Назначение узла в машине, краткое описание его конструкции. 3
- 1.2. Анализ технических требований с разработкой схем их проверки. 6
- 1.3. Качественная оценка технологичности сборочной единицы.. 6
- 1.4. Описание методов обеспечения точности сборки и составление размерной цепи. 6
- 1.5. Разработка технологической схемы сборки и пояснения к ней. 7
- 1.6. Разработка технологического процесса сборки. 7
- 2. Проектирование технологического процесса изготовления детали (корпус) 8
- 2.1. Назначение детали в сборочной единице, доработка чертежа по действующим гост. Анализ технических требований, выявление технологических задач, возникающих при изготовлении, и разработка схем проверки по заданным требованиям. 8
- 2.2. Качественная оценка технологичности конструкции детали. 8
- 2.3. Выбор метода получения заготовки. 9
- 2.4. Разработка маршрута обработки основных поверхностей детали. 9
- 2.5. Выбор баз, разработка маршрута обработки, выбор вида оборудования. Составление эскизов обработки и контроля с упрощенными обозначениями по гост. 10
- 2.6. Разработка операционной технологии с выбором моделей оборудования и типов режущих инструментов. 12
- 2.7 техническое нормирование заданных операций с расчетом штучного времени и их слагаемых. 15
- 2.8. Графическое оформление технологических эскизов с показом конструктивных элементов приспособлений, режущих инструментов, выдерживаемых размеров, допусков и шероховатости поверхности. 16
- 3. Конструирование и расчет приспособления (гидравлическое делительное приспособление) 17
- 3.1. Разработка схемы приспособления. 17
- 3.2 Выбор установочных, зажимных и других элементов приспособлений. 18
- 3.3 Составление схемы сил, действующих на заготовку, и расчет зажимного устройства. 18
- 3.4 Назначение технических требований на приспособление, обеспечивающих заданную точность. 24
- 3.5 Оформление сборочного чертежа приспособления, составление спецификации. 24
- 3.6 Описание конструкции и работы приспособления. 27
- Список литературы.. 27
Чертежи
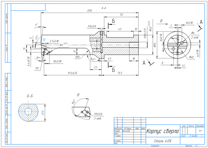
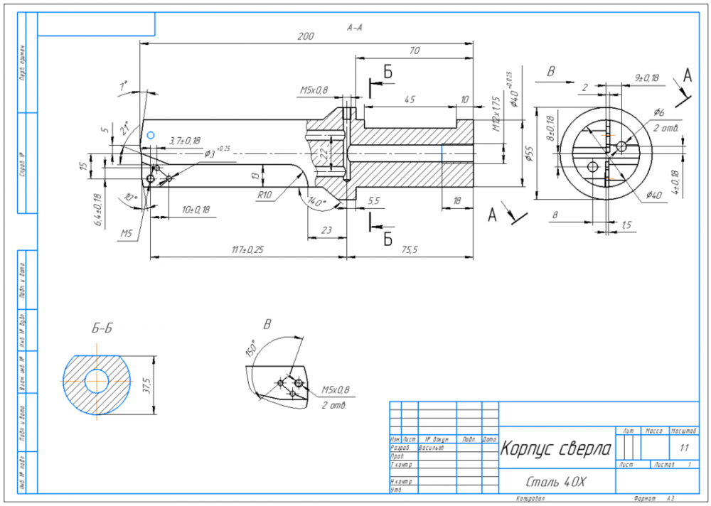
Коорпус сверла
Маршрут изготовления детали
Операционная технология изготовления детали
Маршрут сборки сверла с СМП
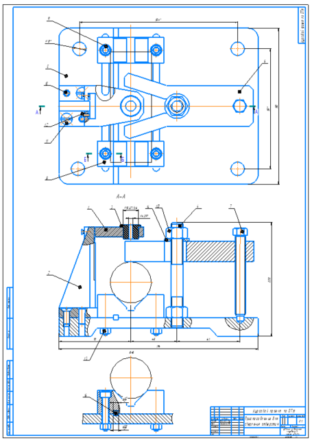
Приспособление для сверления отверстия
Характеристики курсовой работы
Учебное заведение
Программы
Просмотров
1914
Качество
Идеальное компьютерное
Размер
1,39 Mb
Список файлов
Корпус сверла.cdw
Маршрут изготовления детали.cdw
Маршрут сборки сверла с СМП.cdw
Операционная технология изготовления детали.cdw
Приспособление для сверления отверстия.cdw
РПЗ.docx

Вам все понравилось? Получите кэшбэк - 40 рублей на Ваш счёт при покупке. Поставьте оценку и напишите положительный комментарий к купленному файлу. После Вы получите деньги на ваш счет.