Для студентов МГТУ им. Н.Э.Баумана по предмету Технология машиностроения (ТМ)Разработка технологических процессов сборки комбинированной муфты привода перемещения наружного конусаРазработка технологических процессов сборки комбинированной муфты привода перемещения наружного конуса
4,78522300
2017-12-222017-12-22СтудИзба
Курсовая работа: Разработка технологических процессов сборки комбинированной муфты привода перемещения наружного конуса
Описание
Аннотация
Курсовой проект по курсу: «Технология электронного машиностроения»
выполнен на тему:
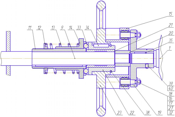
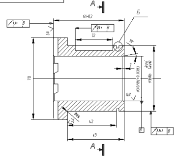
«Разработка технологических процессов сборки комбинированной муфты привода перемещения наружного конуса и изготовления полумуфты».
Целью курсового проекта является: проектирование технологических процессов сборки узла (муфты) и изготовления детали (полумуфты), а также конструирование.
Данный курсовой проект содержит:
4 листа формата А1, 1 лист формата А4, выполненных на ПК с помощью программы Компас-V9-PLUS, со схемами, чертежами и спецификацией, а также расчетно-пояснительную записку, выполненную на ПК на листах формата А4 с использованием среды Word 2003. Расчетно-пояснительная записка содержит 30 страниц, 16 рисунков, 14 таблиц.
В проекте произведен выбор технологического маршрута изготовления детали (полумуфта), предложена технология сборки узла (муфта).
![]()
Курсовой проект по курсу: «Технология электронного машиностроения»
выполнен на тему:
«Разработка технологических процессов сборки комбинированной муфты привода перемещения наружного конуса и изготовления полумуфты».
Целью курсового проекта является: проектирование технологических процессов сборки узла (муфты) и изготовления детали (полумуфты), а также конструирование.
Данный курсовой проект содержит:
4 листа формата А1, 1 лист формата А4, выполненных на ПК с помощью программы Компас-V9-PLUS, со схемами, чертежами и спецификацией, а также расчетно-пояснительную записку, выполненную на ПК на листах формата А4 с использованием среды Word 2003. Расчетно-пояснительная записка содержит 30 страниц, 16 рисунков, 14 таблиц.
В проекте произведен выбор технологического маршрута изготовления детали (полумуфта), предложена технология сборки узла (муфта).


Характеристики курсовой работы
Учебное заведение
Просмотров
310
Качество
Идеальное компьютерное
Размер
3,97 Mb
Список файлов
Разработка технологических процессов сборки комбинированной муфты привода перемещения наружного конуса
1
001.bak
001.frw
1.gif
002.bak
002.frw
2.gif
003.bak
003.frw
3.gif
4.gif
5.gif
6.gif
7.gif
10.gif
11-2.gif
11.gif
12.gif
13.gif
14.gif
15.gif
16.gif
122.gif
132.gif
2879-06.00.00.000СБ3.dwg
GOST50181-92.pdf
plot.log
project_MT11.doc
r&k_khazipov_4.cdw

Зарабатывай на студизбе! Просто выкладывай то, что так и так делаешь для своей учёбы: ДЗ, шпаргалки, решённые задачи и всё, что тебе пригодилось.
Начать зарабатывать
Начать зарабатывать