Для студентов МГТУ им. Н.Э.Баумана по предмету Технология машиностроения (ТМ)Корпус насоса горючего ТНА ЖРДКорпус насоса горючего ТНА ЖРД
4,78522272
2017-12-222017-12-22СтудИзба
Курсовая работа: Корпус насоса горючего ТНА ЖРД
Описание
Техническое задание.
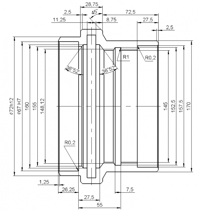
![]()
- Разработать техническую документацию на деталь: Разработать технологический процесс на изготовление детали: корпуса насоса горючего ТНА ЖРД;
- Спроектировать приспособление для фрезерной обработки: спроектировать универсальное сборочное приспособление для крепления корпуса насоса для фрезерной обработки контура улитки.
- Спроектировать инструмент для одной из операций рабочего техпроцесса: спроектировать гребковую фрезу.
- Спроектировать мерительный (контролирующий) инструмент: спроектировать шаблон для контроля формы сферических поверхностей.
- Топер. = 20 мин Проделанную работу представить в графическом виде (на листах формата А1) и в РПЗ, содержащей основные расчеты и анализ полученных при проектировании результатов.


Характеристики курсовой работы
Учебное заведение
Просмотров
347
Качество
Идеальное компьютерное
Размер
1,26 Mb
Список файлов
Корпус насоса горючего ТНА ЖРД
Заготовка.dwg
Заготовка1.dwg
Заготовка2.dwg
Заготовка3.dwg
Заготовка4.dwg
Заготовка5.dwg
Записка9.doc
Корпус Г.dwg
Корпус Г1.dwg
Корпус Г2.dwg
Корпус Г3.dwg
Корпус Г4.dwg
Корпус Г5.dwg
Оглавление.doc
Расчет УСП (момент затяжки).mcd
Режимы резания (фрезерная).mcd
Спецификация.doc
Тех процесс(продолжение).dwg
Тех процесс(продолжение)1.dwg
Тех процесс(продолжение)2.dwg
Тех процесс(продолжение)3.dwg
Тех процесс.dwg
Тех процесс.dwl
Тех процесс1.dwg
Тех процесс2.dwg
Тех процесс3.dwg
Тех процесс4.dwg
Тех процесс5.dwg
Тех процесс6.dwg

Зарабатывай на студизбе! Просто выкладывай то, что так и так делаешь для своей учёбы: ДЗ, шпаргалки, решённые задачи и всё, что тебе пригодилось.
Начать зарабатывать
Начать зарабатывать