Для студентов МГТУ им. Н.Э.Баумана по предмету Технология листовой штамповки (ТЛШ) (МТ-6)Проектирование технологического процесса штамповки детали типа "Колпачек"Проектирование технологического процесса штамповки детали типа "Колпачек"
2020-04-182020-04-18СтудИзба
ДЗ 2: Проектирование технологического процесса штамповки детали типа "Колпачек"
Описание
Задание
- Начертить эскиз детали;
- Определить размер заготовки;
- Начертить раскрой;
- Рассчитать количество переходов;
- Начертить эскизы переходов штамповки;
- Определить силу штамповки, размеры пуансона и матрицы по переходам (размеры поставить на эскизах).

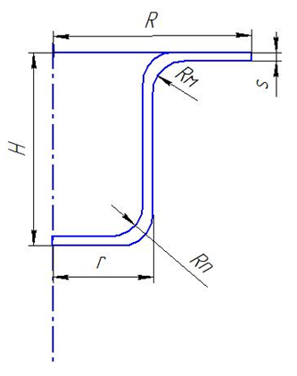
S | R | r | H | Rм | Rп |
1 | 30 | 17 | 45 | 3 | 3 |
Подача и удаление заготовок – вручную.
Материал – Сталь 08.
Rm = Rp = 3 мм.
Толщина – 1 мм.
Характеристики домашнего задания
Учебное заведение
Семестр
Номер задания
Просмотров
151
Качество
Идеальное компьютерное
Размер
616,78 Kb
Список файлов

Вам все понравилось? Получите кэшбэк - 40 рублей на Ваш счёт при покупке. Поставьте оценку и напишите положительный комментарий к купленному файлу. После Вы получите деньги на ваш счет.