Для студентов МГТУ им. Н.Э.Баумана по предмету Технология листовой штамповки (ТЛШ) (МТ-6)Проектирование технологического процесса штамповки детали типа "Пластина"Проектирование технологического процесса штамповки детали типа "Пластина"
5,0053
2020-04-182020-04-18СтудИзба
ДЗ 1: Проектирование технологического процесса штамповки детали типа "Пластина"
Описание
Задание
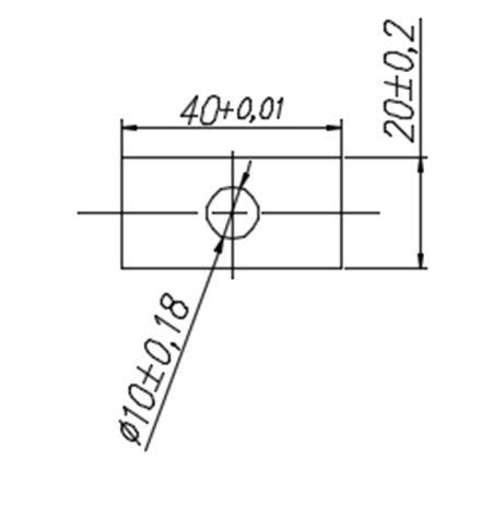
- Чертеж детали
- Раскрой
- Рассчитать силу штамповки
- Рассчитать центр давления
- Определить рабочие размеры инструмента
- Выполнить эскиз пуансона и матрицы с простановкой рабочих размеров
Исходные данные
Деталь | S, мм | L1, мм | d3, мм | H1, мм | Материал |
Пластина | 2 | 40+0,01 | 10 | 20 | Сталь08кп |

Содержание
- Исходные данные
- Раскрой
- Сила штамповки
- Определение центра давления
- Определение рабочих размеров инструмента
- Эскизы инструментов
- Литература
Характеристики домашнего задания
Учебное заведение
Семестр
Номер задания
Теги
Просмотров
112
Качество
Идеальное компьютерное
Размер
116,62 Kb
Список файлов
Проектирование технологического процесса штамповки детали типа Пластина.docx

Вам все понравилось? Получите кэшбэк - 40 рублей на Ваш счёт при покупке. Поставьте оценку и напишите положительный комментарий к купленному файлу. После Вы получите деньги на ваш счет.