Для студентов МГТУ им. Н.Э.Баумана по предмету Технология конструкционных материалов (ТКМ)Механическая обработка заготовок деталей машинМеханическая обработка заготовок деталей машин
5,00546
2025-07-032025-07-03СтудИзба
ДЗ 1: Механическая обработка заготовок деталей машин
Описание

Файлы условия, демо
Характеристики домашнего задания
Учебное заведение
Семестр
Номер задания
Программы
Теги
Просмотров
3
Качество
Идеальное компьютерное
Размер
339,21 Kb
Преподаватели
Список файлов
ткм 1 к
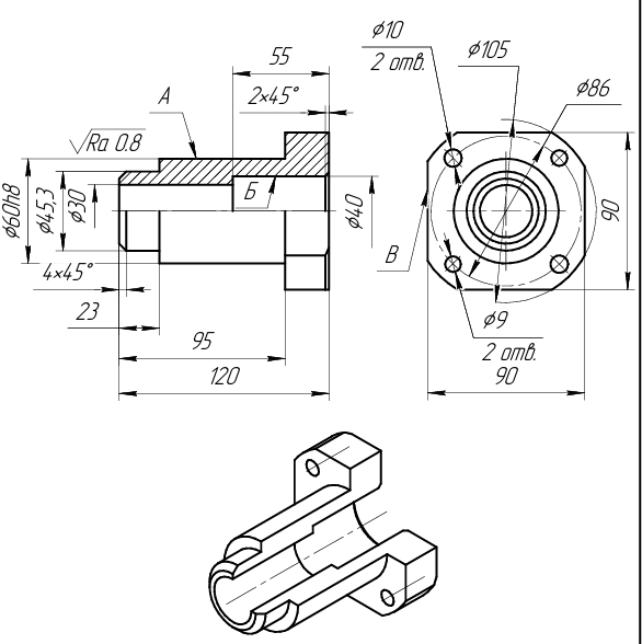
Переходник _ Рис. 1.pdf
Переходник _ Рис. 3.pdf
Переходник _ Рис. 4.pdf
Переходник _ Рис. 5.pdf
Переходник _ Рис. 6 Задание 2.pdf
ДЗ1.docx
Заготовка _ Рис. 2.pdf
Комментарии
Нет комментариев
Стань первым, кто что-нибудь напишет!
МГТУ им. Н.Э.Баумана
mkniga28














