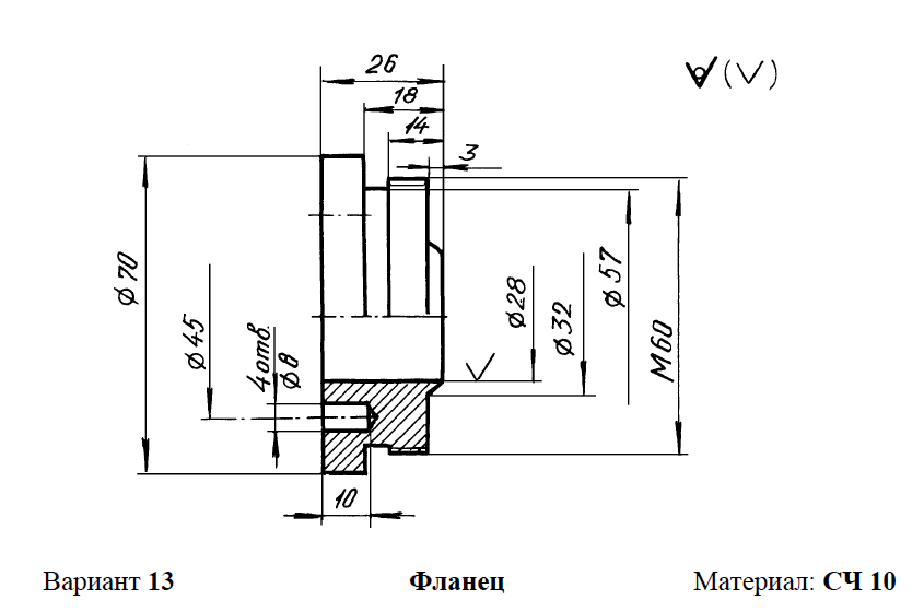
ДЗ 1: Разработка технологии получения отливок в песчано-глинистых формах - Фланец вариант 13
Описание
Работа выполнена в формате: .сдв Компас-V21
Содержание работы:
- Чертёж варианта
- Литейный чертёж с указанием материала
- Эскиз модели
- Эскиз модели песчаной формы для отливки
Электронный архив УГЛТУ ОБЩИЕ СВЕДЕНИЯ Наиболее широкое распространение для изготовления отливок получи- ли песчано-глинистые литейные формы. Это объясняется их универсаль- ностью по конфигурациям отливок, видам применяемых сплавов, масшта- бам производства. Полость литейной формы образуется отпечатком модели в формовочной смеси. Внутренняя поверхность отливки образуется с по- мощью стержней, устанавливаемых в форму. В пространство между внут- ренней полостью формы и поверхностью стержня заливают жидкий металл, после затвердевания образующий отливку. Для поступления металла в по- лость формы служат специальные каналы - литниковая система. Для облегчения извлечения модели при изготовлении литейной фор- мы вертикальные стенки модели выполняют с уклонами.
Разработка технологий получения отливки состоит из следующих основных этапов: 1) разработка литейного чертежа отливки; 2) определе- ние внешнего контура и размеров стержня; 3) выбор конструкции и разме- ров модели; 4) расчет элементов литниковой системы; 5) составление эскиза формы. ЦЕЛЬ РАБОТЫ По чертежу детали разработать технологию изготовления отливки в песчано-глинистой форме. Варианты заданий выдает преподаватель (Приложение 1). ПОРЯДОК ВЫПОЛНЕНИЯ РАБОТЫ 1. Разработка литейного чертежа отливки Рассмотрим последовательность разработки литейного чертежа на двух примерах (рис. 1 и 2). 1.1. Выбор положения отливки при заливке и выбор плоскости разъема. Разработку технологии изготовления литейной формы для полу- чения отливки начинают с выбора плоскости разъема модели, формы и по- ложения отливки в форме.
Плоскости разъема модели и формы выбирают с учетом конфигура- ции детали, особенно таких элементов, которые могут препятствовать сво- бодному извлечению модели из полуформы. Положение плоскости разъ- ема модели и формы указывают на чертеже: рядом с проекцией детали проводят сплошную толстую линию с буквенным обозначением МФ (разъем модели, формы) (рис. 3 и 4). 3.
РУТ (МИИТ)


wershak

















