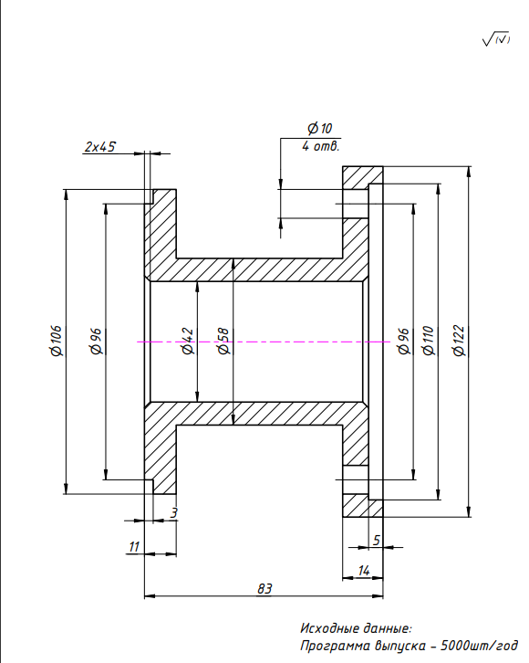
Для студентов МГТУ им. Н.Э.Баумана по предмету Технология конструкционных материалов (ТКМ)Технология изготовления поковок - ВтулкаТехнология изготовления поковок - Втулка
5,0051
2021-06-172021-06-17СтудИзба
ДЗ 2: Технология изготовления поковок - Втулка вариант 3, 38
Описание

Характеристики домашнего задания
Учебное заведение
Номер задания
Просмотров
124
Размер
410,75 Kb
Список файлов
Домашнее задание №1 отчет.docx
вариант 20 чертёж.pdf
дз1 ЭСКИЗЫ ОСНОВНЫХ ПЕРЕХОДОВ.pdf
дз1 поковка.pdf
МГТУ им. Н.Э.Баумана


















