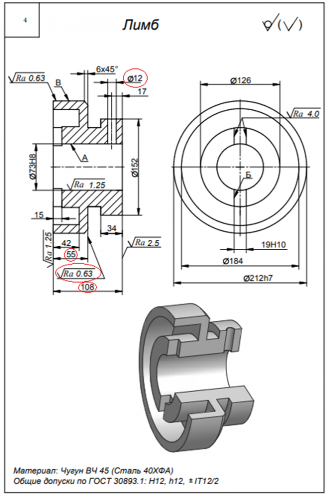
Для студентов МГТУ им. Н.Э.Баумана по предмету Технология конструкционных материалов (ТКМ)Механическая обработка заготовок деталей машин - ЛимбМеханическая обработка заготовок деталей машин - Лимб
4,76584
2021-05-282021-05-28СтудИзба
ДЗ 3: Механическая обработка заготовок деталей машин - Лимб вариант 4, 12
Описание
Характеристики домашнего задания
Учебное заведение
Номер задания
Просмотров
79
Качество
Идеальное компьютерное
Размер
1,37 Mb
Список файлов
ТКМдз3.pdf
Комментарии
Нет комментариев
Стань первым, кто что-нибудь напишет!
МГТУ им. Н.Э.Баумана
eJJaKa


















