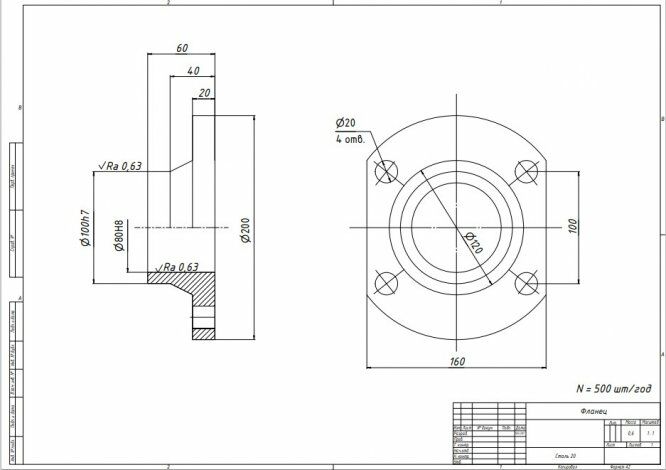
Для студентов МГТУ им. Н.Э.Баумана по предмету Технология конструкционных материалов (ТКМ)Разработка технологии изготовления отливок - ФланецРазработка технологии изготовления отливок - Фланец
5,0056
2021-05-022021-05-02СтудИзба
ДЗ 1: Разработка технологии изготовления отливок - Фланец вариант 22
Описание
- Анализ исходных данных и эскиза детали
- Выбор метода и способа изготовления заготовки
- Выбор способа изготовления отливок
- Уточнение чертежа детали
- Выбор расположения модели и отливки в литейной форме
- Припуск на механическую обработку
- Формовочные уклоны
- Скругления между пересекающимися поверхностями
- Стержни и стержневые знаки
- Припуск на усадку
- Проектирование литниковой системы
- Температура заливки
- Эскизы литейных форм
- Отработка на технологичность
- Вывод
Характеристики домашнего задания
Учебное заведение
Номер задания
Вариант
Просмотров
231
Качество
Идеальное компьютерное
Размер
697,17 Kb
Список файлов
Фланец_ литье.docx
Комментарии
Нет комментариев
Стань первым, кто что-нибудь напишет!
МГТУ им. Н.Э.Баумана



















