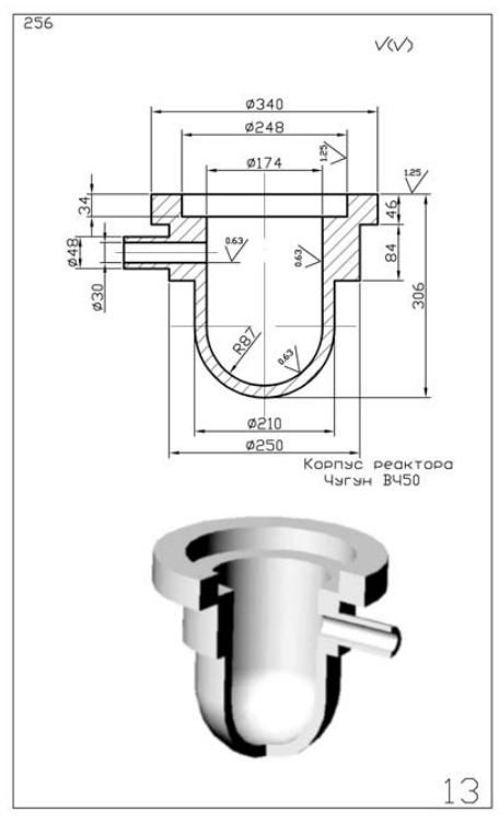
Для студентов МГТУ им. Н.Э.Баумана по предмету Технология конструкционных материалов (ТКМ)Разработка технологии изготовления отливок - Корпус реактораРазработка технологии изготовления отливок - Корпус реактора
5,00515
2021-04-052021-04-05СтудИзба
ДЗ 1: Разработка технологии изготовления отливок - Корпус реактора вариант 13, 20
Описание
Разработка технологии изготовления отливки при литье в песчано-глинистые формыХарактеристики домашнего задания
Учебное заведение
Номер задания
Просмотров
228
Качество
Идеальное компьютерное
Размер
2,64 Mb
Список файлов
Комментарии
Нет комментариев
Стань первым, кто что-нибудь напишет!
МГТУ им. Н.Э.Баумана


















