Для студентов МГТУ им. Н.Э.Баумана по предмету Технология конструкционных материалов (ТКМ)Разработка технологии изготовления отливок - ШкивРазработка технологии изготовления отливок - Шкив
5,00514
2021-03-292021-03-29СтудИзба
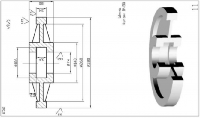
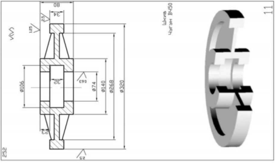
ДЗ 1: Разработка технологии изготовления отливок - Шкив вариант 11, 16
Описание
Характеристики домашнего задания
Учебное заведение
Номер задания
Просмотров
312
Качество
Идеальное компьютерное
Размер
239 Kb
Список файлов
дз1 ткм.doc
Комментарии
Нет комментариев
Стань первым, кто что-нибудь напишет!
МГТУ им. Н.Э.Баумана


















