Для студентов МГТУ им. Н.Э.Баумана по предмету Технология конструкционных материалов (ТКМ)Технология изготовления тонкостенных оболочек - КорпусТехнология изготовления тонкостенных оболочек - Корпус
5,0052
2021-02-282021-02-28СтудИзба
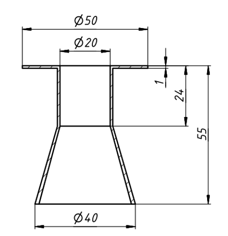
ДЗ 2: Технология изготовления тонкостенных оболочек - Корпус вариант 31
Описание

Характеристики домашнего задания
Учебное заведение
Номер задания
Вариант
Просмотров
113
Размер
297,06 Kb
Список файлов
ДЗ 2 ТКМ.docx
МГТУ им. Н.Э.Баумана


















