Для студентов МГТУ им. Н.Э.Баумана по предмету Сопротивление материаловСтатически определимые балкиСтатически определимые балки
5,0057
2021-02-142024-09-04СтудИзба
Вариант 20 - ДЗ №3 - "Статически определимые балки"
ДЗ 3: Статически определимые балки вариант 20
-25%
Описание
Полный типовой расчет по сопротивлению материалов №3 "Статически определимые балки", 2 задачи, зачтено
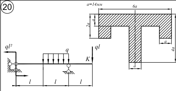
Задача 1:
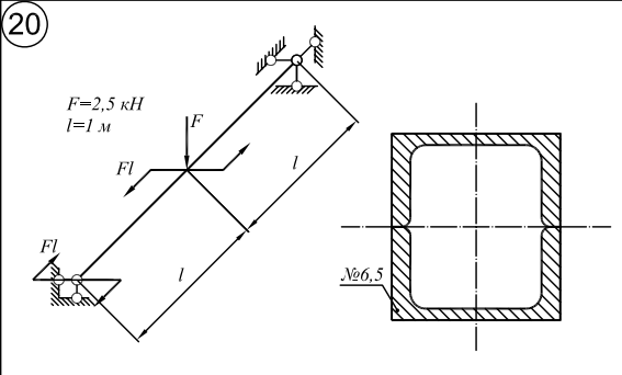
Задача 2:
Показать/скрыть дополнительное описание
Задача 1:





Показать/скрыть дополнительное описание
Типовой расчет по сопротивлению материалов МГТУ 3 семестр домашнее задание кручение сжатие растяжение.
Характеристики домашнего задания
Предмет
Учебное заведение
Семестр
Номер задания
Вариант
Теги
Просмотров
153
Качество
Фото рукописных листов
Размер
7,03 Mb
Список файлов
статически опр балки.docx

Спасибо за покупку! Я буду очень рад, если поставишь справедливую оценку купленному файлу :3 Ищи больше работ в моём профиле, там много нужного тебе!