Для студентов МГТУ им. Н.Э.Баумана по предмету Технология конструкционных материалов (ТКМ)Механическая обработка заготовок деталей машин - КорпусМеханическая обработка заготовок деталей машин - Корпус
5,0056
2021-02-232024-09-01СтудИзба
ДЗ 3: Механическая обработка заготовок деталей машин - Корпус вариант 24, 26
-51%
Описание
Содержание
Оглавление. | Стр. |
1. Задания | 3 |
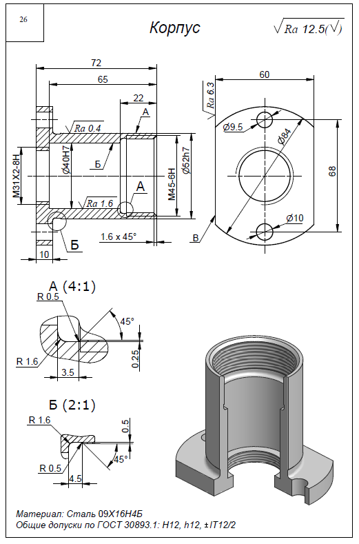
2. Чертеж детали | 4 |
3. Анализ исходных данных | 5 |
4. Выбор способа обработки | 5 |
5. Вид заготовки | 5 |
6. Технология обработки поверхностей | 6 |
7. Отработка детали на технологичность | 10 |
8. Анализ и отработка конструкции детали | 12 |
9. Чертеж технологичного варианта детали | 13 |
Характеристики домашнего задания
Учебное заведение
Номер задания
Программы
Просмотров
168
Качество
Идеальное компьютерное
Размер
1,16 Mb
Список файлов
Механическая обработка заготовок деталей машин - Корпус.docx
Технологичный вариант детали.dwg
Технологичный вариант детали.pdf

Вам все понравилось? Получите кэшбэк - 40 рублей на Ваш счёт при покупке. Поставьте оценку и напишите положительный комментарий к купленному файлу. После Вы получите деньги на ваш счет.