Для студентов МГТУ им. Н.Э.Баумана по предмету Технология конструкционных материалов (ТКМ)Разработка технологии изготовления отливок - ТройникРазработка технологии изготовления отливок - Тройник
3,27513
2021-01-302021-01-30СтудИзба
ДЗ 1: Разработка технологии изготовления отливок - Тройник вариант 12, 19
Описание
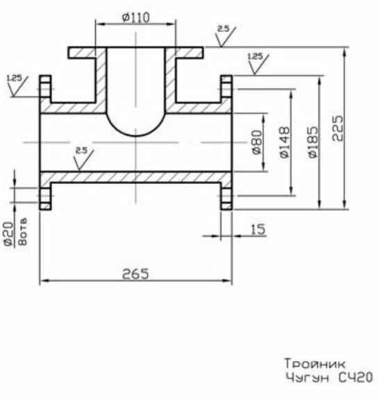
ДЗ №1. По заданному чертежу детали требуется изобразить форму отливки, определить коэффициент использования материала (КИМ), из нескольких возможных вариантов литья в песчаную форму выбрать наиболее рациональный и для него нарисовать литейную форму и модельный комплект.
Домашнее задание выполнено в соответствии с требованиями преподавателя Карпова С.Н. : упрощенная формула определения объёма, нет расчетов скруглений, литниковой системы, не обозначен способ литья и не приведено сравнение с другими способами.
Домашнее задание выполнено в соответствии с требованиями преподавателя Карпова С.Н. : упрощенная формула определения объёма, нет расчетов скруглений, литниковой системы, не обозначен способ литья и не приведено сравнение с другими способами.
Характеристики домашнего задания
Учебное заведение
Номер задания
Просмотров
217
Размер
122,66 Kb
МГТУ им. Н.Э.Баумана


















