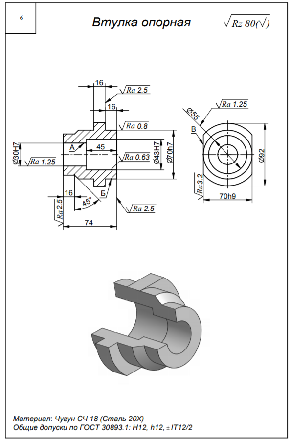
Для студентов МГТУ им. Н.Э.Баумана по предмету Технология конструкционных материалов (ТКМ)Механическая обработка заготовок деталей машин - Втулка опорнаяМеханическая обработка заготовок деталей машин - Втулка опорная
3,9057
2020-12-062020-12-06СтудИзба
ДЗ 3: Механическая обработка заготовок деталей машин - Втулка опорная вариант 6, 13
Описание
Вариант 6. Полякова А.В.Характеристики домашнего задания
Учебное заведение
Номер задания
Просмотров
254
Размер
1,07 Mb
Список файлов
Вариант 6. Готовое ДЗ.pdf
МГТУ им. Н.Э.Баумана


















