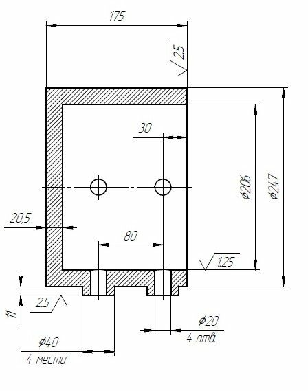
Для студентов МГТУ им. Н.Э.Баумана по предмету Технология конструкционных материалов (ТКМ)Механическая обработка заготовок деталей машин - ОграничительМеханическая обработка заготовок деталей машин - Ограничитель
5,0051
2020-11-252020-11-25СтудИзба
ДЗ 3: Механическая обработка заготовок деталей машин - Ограничитель вариант 9, 14
Описание

Характеристики домашнего задания
Учебное заведение
Номер задания
Просмотров
120
Размер
83,84 Kb
Список файлов
ТКМ. Решение. Резание.pdf
Комментарии
Нет комментариев
Стань первым, кто что-нибудь напишет!
МГТУ им. Н.Э.Баумана


















