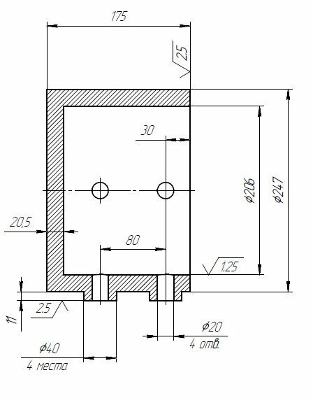
Для студентов МГТУ им. Н.Э.Баумана по предмету Технология конструкционных материалов (ТКМ)Разработка технологии изготовления отливок - ОграничительРазработка технологии изготовления отливок - Ограничитель
5,00523
2020-11-252020-11-25СтудИзба
ДЗ 1: Разработка технологии изготовления отливок - Ограничитель вариант 9, 14
Описание

Характеристики домашнего задания
Учебное заведение
Номер задания
Просмотров
370
Размер
478,9 Kb
Список файлов
ТКМ. Решение. Литье.pdf
Комментарии
Нет комментариев
Стань первым, кто что-нибудь напишет!
МГТУ им. Н.Э.Баумана


















