Для студентов МГТУ им. Н.Э.Баумана по предмету Технология конструкционных материалов (ТКМ)Технология изготовления поковок - РоторТехнология изготовления поковок - Ротор
5,00522
2020-10-282020-10-28СтудИзба
ДЗ 2: Технология изготовления поковок - Ротор вариант 4
Описание
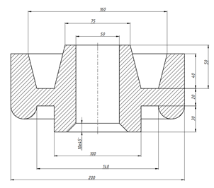
Горячая объёмная штамповка в открытых штампах на кривошипных горячештамповочных прессах (КГШП). Расписан процесс для следующей детали.
![]()

Характеристики домашнего задания
Учебное заведение
Номер задания
Вариант
Просмотров
428
Размер
1,17 Mb
Список файлов
ДЗ 2 ТКМ.docx
Комментарии
Нет комментариев
Стань первым, кто что-нибудь напишет!
МГТУ им. Н.Э.Баумана



















